LED Block Game
Mouser Electronics Technical Support Team
Licensed under CC BY-SA 4.0
Overview
Wireless Controller Overview
The following schematic shows the wireless controller assembly, including how to connect the different devices it contains. This controller allows an interface between the chipKIT Max32 running the Mouser Blocks software and a user. For the controller to function, you must first program both the PIC16 microcontroller and the XBee wireless transceiver.
Schematic for the wireless controller.
Display Overview
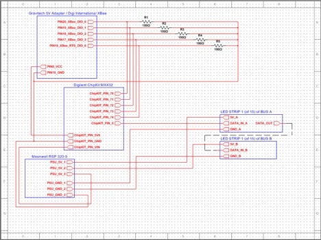
The display consists of 30 one-meter LED strips with WS2812 assignable RGB LEDs. The LED strips are powered in parallel using a 5-volt power supply with the communication line running in series between each, driven by the chipKIT Max32. The following schematic shows the connections between devices.
Power Considerations
Each LED strip draws approximately 1800mA at full white. By providing a common bus for the power and ground, you can connect the strips in either a strictly parallel circuit or a series/parallel configuration.
NOTE: Do not confuse the power and ground bus with the data line, which must maintain its series configuration.
For our design, we built a power supply enclosure using a fuse/switched AC input, four-conductor mil-spec connector for our power and ground bus, and a three-conductor power/data cable that will connect to our chipKIT enclosure. We also provided two separate power and ground buses.
Schematic for the LED display.
We would love to hear what you think about this project; please tell us in the comments section below.