Diodes Incorporated AP3304A多模PWM控制器
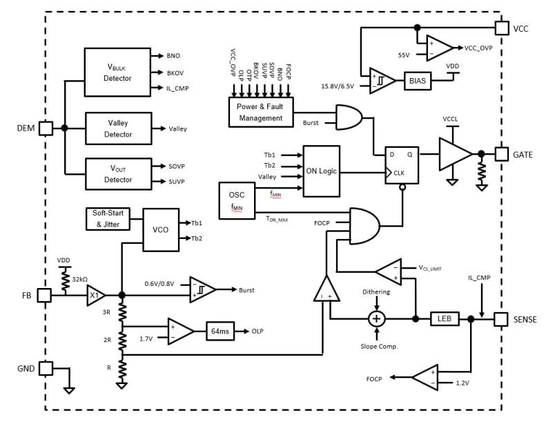
Diodes Incorporated AP3304A多模PWM控制器是一款峰值电流控制CCM+ QR PWM控制器,设有高性能、低待机功耗和高性价比离线反激式转换器。AP3304可在突发模式下工作(轻载、开关频率23kHz),最大限度地降低待机功耗,并避免可闻噪声。当负载增加时,AP3304进入带有频率折返功能的QR模式,从而提高系统效率和EMI性能。当器件处于QR模式时,最大开关频率钳位至100kHz,降低了开关功耗。AP3304A的开关频率随负载的增加而下降,直到以80kHz固定开关频率进入CCM模式,优化了功率转换效率。此外,该器件还内置频率抖动功能来降低EMI辐射。内部分段线性线路补偿可实现在整个通用线路电压范围内的恒定输出功率限制。Diodes AP3304A多模PWM控制器包括全面的保护特性,例如掉电保护、逐周期电流限制 (OCP)、VCC过压保护 (VOVP)、二次侧输出OVP (SOVP) 及UVP (SUVP)、内部OTP、过载保护 (OLP) 和引脚故障保护。
特性
- 极低启动电流
- 多模控制,具有CCM+QR
- 启动过程中软启动
- 频率折返以获得高平均效率
- 恒定过流保护
- 使用FOCP实现二次侧绕组短路保护
- 频率抖动以降低EMI
- 实用的引脚故障保护:
- SENSE引脚浮动
- FB/光电耦合器开路/短路
- 全面的系统保护特性:
- VCC过压保护 (VOVP)
- 过载保护 (OLP)
- 掉电保护 (BNO)
- 二次侧OVP (SOVP) 和UVP (SUVP)
- SOT26小尺寸封装(A1型)
- 完全无铅,完全符合RoHS指令
- 无卤素和不含锑的“绿色”器件
应用
- 开关交流-直流适配器/充电器
- ATX/BTX辅助电源
- 机顶盒 (STB) 电源
- 开放式框架开关电源
典型应用电路
框图
发布日期: 2022-04-20
| 更新日期: 2022-10-25
