典型应用包括用于频闪灯和气体发动机点火的电容放电系统。其他应用包括对电动工具、家用/黑色家电以及白色家电的控制。
特性
- 符合RoHS指令
- 采用钝化玻璃结合技术
- 电压能力:高达800V
- 浪涌能力:高达20A
应用
- 用于频闪灯和气体发动机点火的电容放电系统
- 对电动工具、家用/黑色家电以及白色家电的控制
规范
- IT(RMS):1.25A
- VDRM/VRRM:800V
- IGT:50uA至200uA
- Rth(JC):60°C/W
示意图
简单测试电路
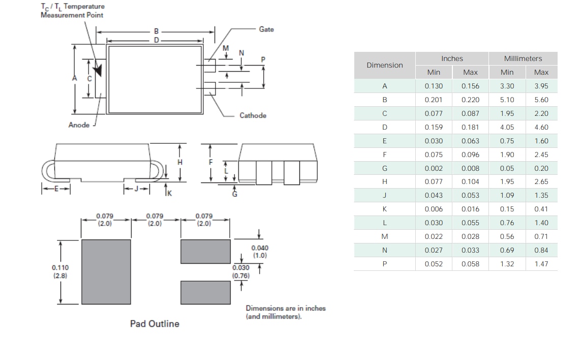
封装尺寸:Compak(C封装)
发布日期: 2021-09-10
| 更新日期: 2022-03-11

