ADM00873评估板设计用于搭配Curiosity PIC32MZEF开发板 (DM320104) 和SAR ADC实用软件使用。Curiosity PIC32MZEF开发板 (DM320104) 是完全集成的32位开发平台,设有高性能PIC32MZ EF系列PIC®微控制器 (PIC32MZ2048EFM100)。DM320104用于捕获从ADM00873评估板接收的数字数据。
特性
- 满量程模拟输入范围:–VREF至+VREF
- 带MCP33131D/21D/11D的ADM00873:–4 VPP至+4 VPP
- 评估SNR、SFDR、INL、DNL等性能指标
- 动态性能监控
- 能够保存和加载软件配置
- 能够为用户后处理保存和加载原始数据
套件内容
- 1个ADM00873 SAR ADC评估板
- 1个9V电源
必要设备
- Curiosity PIC32MZEF开发板 (DM320104)
- 单独出售
- Type A公头转micro-B USB电缆
- 未随套件提供
- 外部信号输入
- 由用户提供
- SAR ADC实用软件
- 可从Microchip网站获取
连接到Curiosity PIC32MZEF开发板的ADM00873
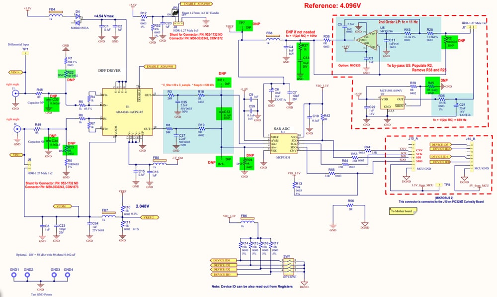
原理图
发布日期: 2019-06-13
| 更新日期: 2023-06-02

