ATmega256x具有256KB系统内可编程闪存(具有读写能力)、4KB EEPROM、8KB SRAM和86条通用I/O线路。另外,该器件还具有32个通用工作寄存器、一个实时计数器、6个灵活的定时器/计数器(带比较模式)、PWM、4个USART、字节导向的两线串行接口、16通道10位模数转换器,以及用于片上调试的JTAG接口。
ATmega256x的工作电压范围为1.8V至5.5V,16MHz时的通量为16MIPS。该器件可在单个时钟周期内执行强大的指令,获得接近1MIPS/MHz的通量,同时可平衡功耗和处理速度。
特性
- 高性能、低功耗Atmel® AVR® 8位微控制器
- 温度范围:-40°C至85°C(工业级)
- 超低功耗
- 有源模式:1MHz、1.8V:500µA
- 掉电模式:0.1µA (1.8V)
- 先进的RISC架构
- 135个强大指令 – 主要为单时钟周期执行
- 32 × 8通用工作寄存器
- 全静态工作
- 在16MHz时具有高达16MIPS的通量
- 片上两周期乘法器
- 高耐久性非易失性内存段
- 64K/128K/256KB系统内可自编程闪存
- 4KB EEPROM
- 8KB内部SRAM
- 写入/擦除周期:10,000闪存/100,000 EEPROM
- 数据保持:85°C条件下可保存20年/25°C条件下可保存100年
- 具有独立锁定位的可选启动代码段
- 通过片上引导程序进行系统内编程
- 真正边读边写操作
- 软件安全用编程锁定
- 耐久性:高达64KB可选外部存储空间
- Atmel® QTouch®库支持
- 电容触摸按钮、滑块和滚轮
- QTouch和QMatrix采集
- 多达64个感应通道
- JTAG(符合IEEE® std. 1149.1标准)接口
- 边界扫描能力,符合JTAG标准
- 支持广泛的片上调试
- 通过JTAG接口编程闪存、EEPROM、保险丝和锁定位
- 外设特性
- 两个8位定时器/计数器,配有单独的预分频器和比较模式
- 四个16位定时器/计数器,配有单独的预分频器、比较模式和采集模式
- 实时计数器,配有独立振荡器
- 四个8位PWM通道
- 六/十二个PWM通道,可编程分辨率为2至16位(ATmega1281/2561、ATmega640/1280/2560)
- 输出比较调制器
- 8/16通道、10位ADC(ATmega1281/2561、ATmega640/1280/2560)
- 二/四个可编程串行USART(ATmega1281/2561、ATmega640/1280/2560)
- 主/从SPI串行接口
- 字节导向的两线串行接口
- 带独立片上振荡器的可编程看门狗定时器
- 片上模拟比较器
- 中断和唤醒引脚变更
- 微控制器独有特性
- 上电复位和可编程掉电检测
- 内部校准振荡器
- 外部和内部中断源
- 六种睡眠模式:空闲、ADC降噪、省电、掉电、待机和扩展待机
- I/O和封装
- 54/86条可编程I/O线路(ATmega1281/2561、ATmega640/1280/2560)
- 64焊盘QFN/MLF、64引脚TQFP (ATmega1281/2561)
- 100引脚TQFP、100球栅CBGA (ATmega640/1280/2560)
- 完全符合RoHS指令的绿色材料
- 速度等级:
- ATmega640V/ATmega1280V/ATmega1281V:0MHz - 4MHz (1.8V - 5.5V)、0MHz - 8MHz (2.7V - 5.5V)
- ATmega2560V/ATmega2561V:0MHz - 2MHz (1.8V - 5.5V)、0MHz - 8MHz (2.7V - 5.5V)
- ATmega640/ATmega1280/ATmega1281:0MHz - 8MHz (2.7V - 5.5V), 0MHz - 16MHz (4.5V - 5.5V)
- ATmega2560/ATmega2561:0MHz - 16MHz (4.5V - 5.5V)
应用
- 嵌入式控制
- 功率调节
- 整流
- DAC
- 电机控制
了解详情
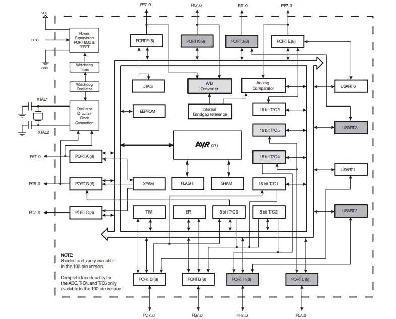
框图
架构概述
发布日期: 2019-02-06
| 更新日期: 2023-05-12

