Qorvo QPC6742射频开关IC

Qorvo QPC6742射频开关IC是一款75Ω绝缘体硅片 (SOI) 单刀四掷 (SP4T) 开关。QPC6742射频开关IC设计用于有线电视、卫星机顶盒以及其他高性能通信系统。QPC6742开关IC具有高隔离度对称拓扑、出色的线性度以及较高的功率处理能力。QPC6742 IC在射频端口上无需阻断电容器。QPC6742开关IC的工作频率范围为5MHz至2000MHz。应用包括MDU放大器、点对点、光学节点、机顶盒、PCTV以及多调谐器DVR。

特性

  • 工作频率范围:5MHz至2000MHz
  • 低插入损耗:0.35dB (800MHz)
  • 只要射频线上没有电压,即无需阻断电容器
  • 高隔离:34dB (800MHz)
  • 高输入IP3:82dBm (850MHz)
  • 2kV ESD
  • +1.8V逻辑兼容
  • 工作电压:3V至5V

应用

  • MDU放大器
  • 点对点
  • 光学节点
  • 机顶盒
  • PCTV
  • 多调谐器DVR

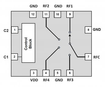
QPC6742射频开关IC功能框图

框图 - Qorvo QPC6742射频开关IC

典型性能特征

性能图表 - Qorvo QPC6742射频开关IC
发布日期: 2018-03-15 | 更新日期: 2023-01-30