特性
- 动态低功耗模式,可选择低噪声模式
- 可选的扩频调制(抖动)
- 内部软启动
- 使能/可调UVLO阈值
- 与外部时钟同步
- 内部补偿网络
- 内部电流限制
- 过压保护
- 输出电压排序
- 热关断
应用
- 设计用于12V、24V和48V总线
- 电池供电应用
- 分散的智能节点
- 故障安全系统
- 传感器和低噪声应用 (LNM)
规范
- 工作输入电压:3.5V至60V
- 固定输出电压(3.3V和5V)或0.85V至VIN的可调节输出电压
- 输出电流:300mA DC
- 工作静态电流:10µA(L7983PU33R、VIN>24V、LCM)
- 关断电流:2.3µA
- 可编程开关频率:200kHz至2.2MHz
- 温度范围
- 工作温度范围:-40°C至+150°C
- 储存温度范围:-65°C至+150°C
- 0.3A高侧/低侧RMS开关电流
内容流
视频
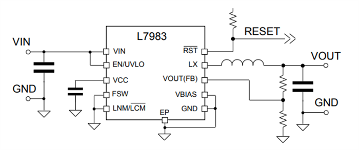
应用电路
框图
发布日期: 2020-11-02
| 更新日期: 2024-12-30

