![]() | ||||||||||||||||||
TDK Corporation CCT系列传感器TDK CCT系列交流电流传感器内置开路保护装置,并且属于箝位型产品,可轻松安装至现有的电力设备。 此系列使用从绕线、卷线到焊接的自动工艺,可确保稳定的高质量供电。
| ||||||||||||||||||
| ||||||||||||||||||
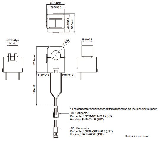
CCT323047型产品尺寸![]() | ||||||||||||||||||
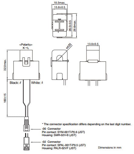
CCT261631型产品尺寸![]() | ||||||||||||||||||
![]() | ||||||||||||||||||
发布日期: 2015-02-13
| 更新日期: 2022-03-11
![]() | ||||||||||||||||||
TDK Corporation CCT系列传感器TDK CCT系列交流电流传感器内置开路保护装置,并且属于箝位型产品,可轻松安装至现有的电力设备。 此系列使用从绕线、卷线到焊接的自动工艺,可确保稳定的高质量供电。
| ||||||||||||||||||
| ||||||||||||||||||
CCT323047型产品尺寸![]() | ||||||||||||||||||
CCT261631型产品尺寸![]() | ||||||||||||||||||
![]() | ||||||||||||||||||