特性
- 作为从充电器运行,在双充电器运行中提供快速充电
- 简单配置,所需BOM最少
- 高效率 3A、1.5MHz开关模式降压充电
- 3A充电电流下的充电效率达92%,2A下充电效率达94%
- 针对高压输入 (9V/12V) 进行优化
- 低功耗PFM模式,用于轻负载工作
- 单个输入,支持USB输入和可调高压适配器
- 支持3.9V至14V输入电压范围
- 输入电流限制(100mA至3.25A,50mA的分辨率),以支持USB2.0、USB3.0标准和高压适配器
- 宽输入动态电源管理 (DPM) 范围
- 最高电池放电效率 (5mΩ)
- 默认充电已禁用
- 集成式模数转换器用于系统监视器(电压、充电电流)
- 灵活的自主和I2C模式,可实现最优系统性能
- 远程电池感测
- 高集成度,包含全部MOSFET、电流感测和环路补偿
- 高精度:
- ±0.5%充电电压调节
- ±5%充电电流调节
- ±7.5%输入电流调节
- 安全性:
- 热调节与热关断
- 输入UVLO/过压保护
- 电池OVP
- 安全计时器
应用
- 智能手机
- 平板电脑
- 便携式上网设备
简化原理图
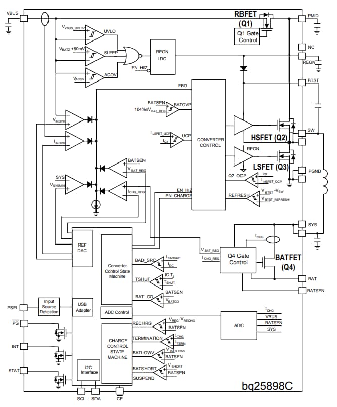
框图
发布日期: 2016-05-23
| 更新日期: 2022-03-11

