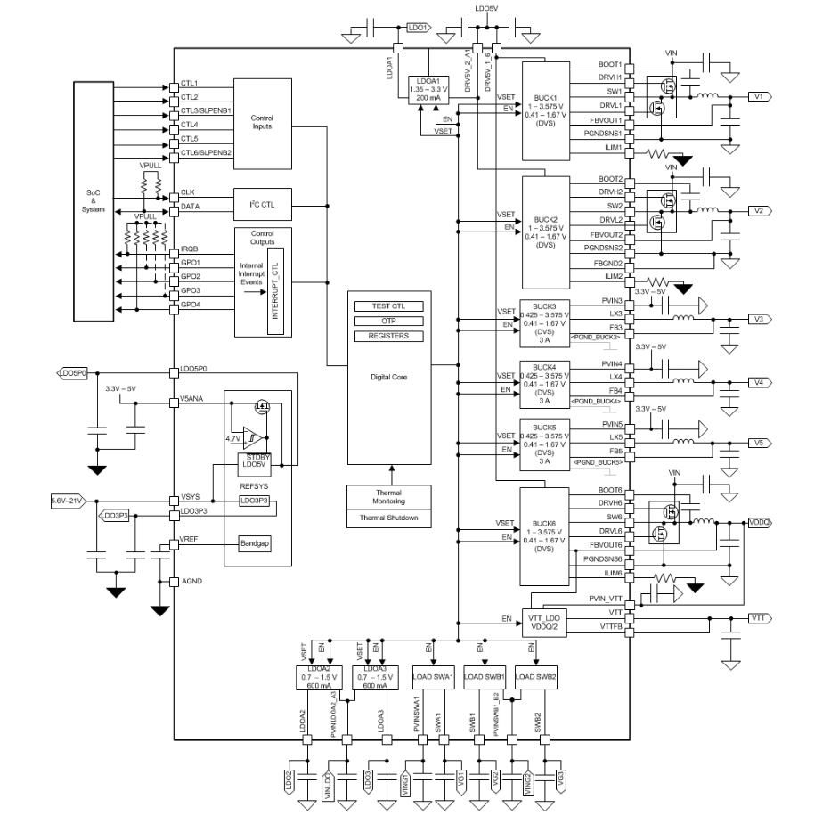
Texas Instruments TPS650861可配置多轨PMIC
Texas Instruments TPS650861可配置多轨PMIC设计用于MPSoC和FPGA,提供可编程最佳输出电压和电源定序。TPS650861设有三个控制器,可提供最高30A电流的灵活供电能力,采用可满足大功率设计需求的大型外部FET。该控制器还能降低尺寸和成本,获得更小巧的设计。通过将转换器、LDO和开关相结合可以为各种应用提供系统电源。采用小型无源器件让D-CAP2™和DCS™控制高频稳压器可以减小解决方案尺寸。D-CAP2™和DCS控制拓扑具有出色的瞬态响应性能,非常适合用于具有快速负载切换的处理器内核和系统内存电压轨。特性
- 两组一次性可编程存储器,用于为默认电压和序列编程
- 5.6V-21V宽VIN范围
- 三个可变输出电压同步
- 降压控制器,采用D-CAP2™拓扑
- 可扩展输出电流,采用外部FET,电流限制可选
- I2C DVS控制,0.41V至1.67V步长为10mV,1V至3.575V步长为25mV,或者5V固定输出
- 三个可变输出电压同步降压型转换器,带DCS控制拓扑
- VIN范围:3V至5.5V
- 输出电流高达3A
- I2C DVS控制,0.425V至3.575V,步长为25mV
- 三个LDO稳压器,输出电压可调
- LDOA1:I2C可选择电压,1.35V至3.3V,输出电流高达200mA
- LDOA2和LDOA3:I2C可选择电压,0.7V至1.5V,输出电流高达600mA(每个)
- VTT LDO,用于DDR存储器终端
- 三个负荷开关,带转换率控制
- 输出电流高达300mA,压降小于额定输入电压的1.5%
- RDSON:<96mΩ(输入电压为1.8V时)
- 5V固定输出电压LDO (LDO5)
- 为 SMPS 栅极驱动器和 LDOA1 供电的电源
- 自动切换到外部5V降压,实现更高效率
- 通过OTP编程实现的内置灵活性和可配置性
- 6个GPI引脚可配置为启用任何选定轨的 (CTL1-CTL6) 或输入睡眠模式 (CTL3和CTL6)
- 4 个 GPO 引脚可配置为任何选定轨的电源
- 开漏中断输出引脚
- I2C接口支持标准模式 (100kHz)、快速模式 (400kHz) 和超快速模式 (1MHz)
应用
- 可编程逻辑控制器
- 机器视觉摄像机
- 视频监控
- 测试与测量
- 嵌入式电脑
- 运动控制
框图
发布日期: 2018-08-24
| 更新日期: 2023-04-03
