Analog Devices / Hittite HMC751LC4 SMT PHEMT Low Noise Amplifier

Analog Devices / Hittite HMC751LC4 SMT
PHEMT 低噪音放大器

Analog Devices/Hittite 的 HMC751LC4 SMT PHEMT 低噪音放大器是一款高动态范围砷化镓 pHEMT MMIC 低噪音放大器(LNA),采用无引线、无铅、遵从 RoHS 指令的 SMT 封装。HMC751LC4 提供达 25dB 的小信号增益,2.2dB 的噪声系数和 +25dBm 的输出 IP3。其 +13dBm 的 P1dB 输出功率还使 LNA 能够作为一种 LO 驱动器,用于平衡、I/Q 或镜像抑制混频器。HMC751LC4 还允许采用表面贴装技术。典型应用包括点对点无线电,点对多点无线电,VSAT,测试设备,传感器和军事应用。

特点
  • 噪声因数:2.2dB
  • 增益:25dB
  • OIP3:+25dBm
  • 单电源电压:+4V @ 73mA
  • 50Ohm 匹配输入/输出
  • 遵从 RoHS 指令的 4 x 4mm 封装
  • 电气规格,TA = +25°C, VDD 1, 2, 3 = +4V
应用
  • 点对点无线电
  • 点对多点无线电 & VSAT
  • 测试设备和传感器
  • 军事
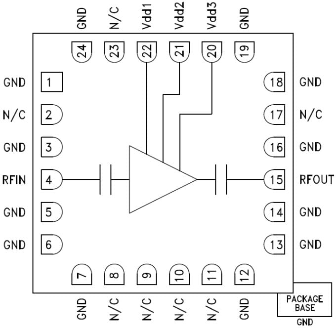
功能图
Functional Diagram
eNews
  • Hittite / Analog Devices