adi ADPL62083采用3引脚SOT23封装,工作温度范围为-40°C至+125°C。
特性
- 在整个温度范围内具有5µA(典型值)、6.8µA(最大值,3.6V时)的低电源电流(+125°C)
- 出厂设置复位阈值选项:1.02V至4.8V(50mV/100mV增量)
- 可确保在VCC ≥ 1V时复位有效
- 开漏复位输出
- 电源瞬态抑制
- 工作温度范围:-40 °C至+125 °C
应用
- 便携式/电池供电和工业设备
- 电子阅读器/平板电脑
- 智能手机
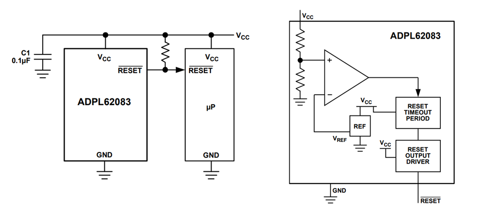
简化应用方框图
复位时序图
发布日期: 2025-03-19
| 更新日期: 2025-04-01

