Analog Devices Inc. DC2922A-A/DC2922A-B LTC7802演示电路
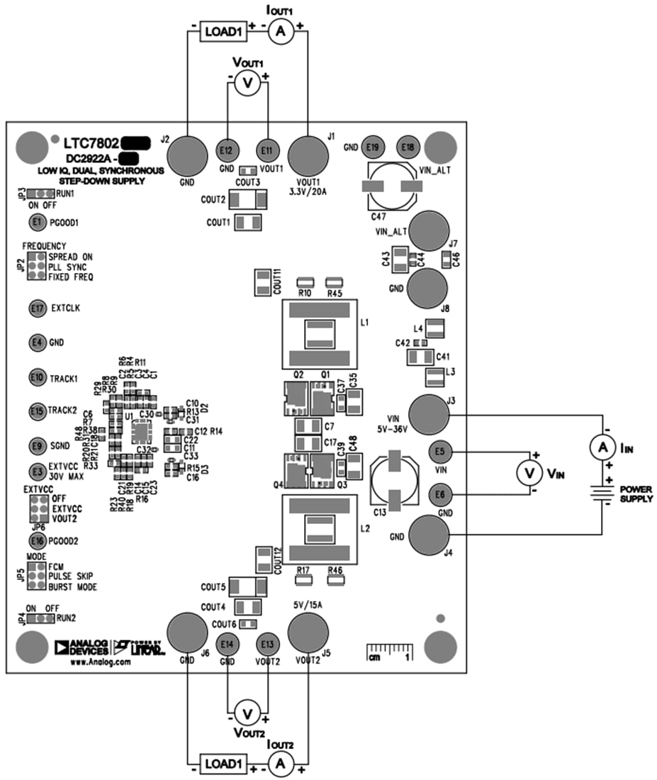
Analog Devices Inc. DC2922A-A/DC2922A-B演示电路是双通道降压直流/直流转换器,设有LTC®7802或LTC7802-3.3 PWM 控制器。这些演示板上使用的两款控制器IC均为40V低IQ 、双路、两相同步降压控制器,具有扩频功能。而且,这两款演示板均可在5V至36V输入电压范围内工作,20A输出时提供3.3V电压,15A输出时提供5V电压。DC2922A-A采用LTC7802,并配有电阻分压器网络来设置3.3V输出。DC2922A-B采用LTC7802-3.3,具有3.3V固定输出,无需电阻分压器网络。Analog Devices Inc.的一些主要特性 DC2922A-A/DC2922A-B板包括FREQUENCY跳线,用于扩频或外部时钟选项。它还设有EXTVCC跳线,用于VOUT2、EXTVCC或输入衍生VCC;设有MODE跳线,支持转换器在FCM、脉冲跳跃或突发模式®下运行;以及PGOOD信号,用于每个输出。两个通道可通过并联得到更大输出电流。
设备设置
发布日期: 2021-08-06
| 更新日期: 2022-03-11
