Analog Devices Inc. DC3082A-C LTM4681演示电路
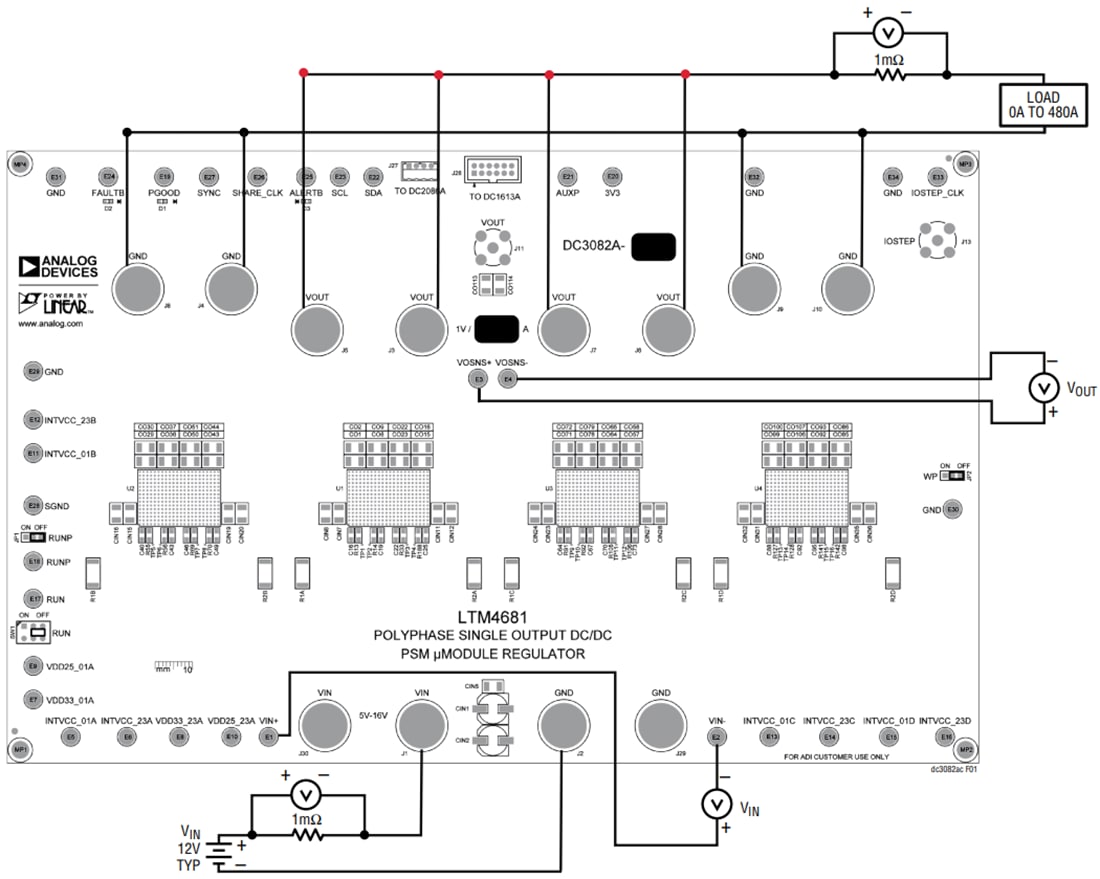
Analog Devices Inc. DC3082A-C LTM4681演示电路是一款PolyPhase®单输出直流/直流降压型μModule®稳压器。LTM4681配有数字电源系统管理。DC3082A-C配置为采用4× LTM4681的16相单输出。出厂默认输入电压为12V(典型值),输出电压为1V(480A时典型值)或500A(峰值,推荐400LFM强制气流)。该演示板输出电压可在0.6V至1V范围内调节。根据LTM4681数据手册中提供的热降额曲线,将输出电压编程为大于1V的任何值都需要降额输出电流。散热片或其他适当的电子冷却系统也可与强制气流配合使用,以便在输出开启并加载最大输出电流时进一步优化输出功率。出厂默认开关频率预设为350kHz(典型值)。Analog Devices Inc. DC3082A-C具有PMBus接口和数字电源系统管理功能。设有板载12引脚连接器,用户可以将加密狗DC1613A连接到演示板。该连接器提供了一种使用LTpowerPlay®软件开发工具进行通信和编程的简单方法。LTpowerPlay软件和I2C/PMBus/SMBus加密狗DC1613A使用户能够监测实时遥测输入和输出电压、输入和输出电流、开关频率、内部IC裸片温度、功率级元件温度以及故障记录。可编程参数包括器件地址、输出电压、控制环路补偿、开关频率、相位交错、DCM或CCM工作模式。这些还包括数字软启动、排序和基于时间的关断、对输入和输出过压的故障响应、输出过流、IC裸片和电源元件过热。
LTpowerPlay GUI软件
LTpowerPlay是一个可靠、基于Windows的开发环境,支持Analog Devices Inc.数字电源系统管理 (PSM) 产品。LTpowerPlay通过连接演示板系统和离线模式(不存在硬件)支持各种任务,例如评估Analog Devices的IC,从而构建可保存并在以后重新加载的多芯片配置文件。它还具有出色的诊断和调试功能,可在电路板启动时作为宝贵的诊断工具,对系统中的电源管理方案进行编程或调整,也可以在启动电源轨时诊断电源问题。
设备设置
发布日期: 2021-08-09
| 更新日期: 2022-03-11
