特性
- 电源“合路”二极管的极低损耗型替代方案
- 极少外部元件
- 直流电源之间的自动切换
- 简化了采用多个电池时的负载均分
- 低静态电流:11µA
- 3V至28V交流/直流适配器电压范围
- 电池电压范围:2.5V至28V
- 反向电池保护
- 可驱动几乎任何大小的MOSFET,以满足宽电流范围要求
- MOSFET栅极保护钳位
- 手动控制输入
- 薄型 (1mm) ThinSOT™封装
应用
- 手机
- 笔记本电脑和手持式电脑
- 数码相机
- USB供电外设
- 不间断电源
- 逻辑控制型电源开关
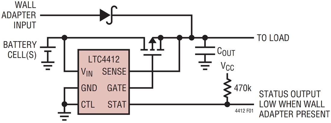
典型应用
发布日期: 2019-04-29
| 更新日期: 2024-01-03

