跳到主内容
免费电话: 400-821-6111
TTI Family of Specialists旗下成员
|
联系Mouser (上海) 免费电话: 400-821-6111
|
反馈
更改位置
中文
¥ RMB
中国
请确认您选择的货币:
人民币
国际贸易术语:DDP
所有价格均
包括
关税和海关费用。
贸泽电子 Mouser Electronics - 半导体和电子元器件代理商
全部
过滤搜索
全部
EMI/RFI 器件
MOSFET
二极管与整流器
工业自动化
工具与耗材
工程技术开发工具
开关
内存和数据存储器
计算
电位器
电阻器
电线与电缆
电容器
电感器
电路保护
电源
半导体
机壳产品
压敏电阻
光电子产品
传感器
连接器
变压器
测试与测量
热敏电阻
热管理产品
继电器
晶体管
嵌入式处理器和控制器
嵌入式解决方案
集成电路 - IC
频率控制器和定时装置
微控制器 - MCU
过滤搜索
全部
EMI/RFI 器件
MOSFET
二极管与整流器
工业自动化
工具与耗材
工程技术开发工具
开关
内存和数据存储器
计算
电位器
电阻器
电线与电缆
电容器
电感器
电路保护
电源
半导体
机壳产品
压敏电阻
光电子产品
传感器
连接器
变压器
测试与测量
热敏电阻
热管理产品
继电器
晶体管
嵌入式处理器和控制器
嵌入式解决方案
集成电路 - IC
频率控制器和定时装置
微控制器 - MCU
打开建议
库存量
RoHS
产品
新品速递
LED照明元件
工业自动化
工具与耗材
工程工具
无源元件
内存和数据存储器
电线与电缆
电路保护
电源
半导体
机电产品
机壳产品
光电子产品
传感器
连接器
测试与测量
热管理产品
射频与无线产品
嵌入式解决方案
查看所有产品
制造商
服务和工具
技术资源
帮助
菜单
帐户和订单
登录
新客户?
从这里开始
订单历史
登录
新客户?
从这里开始
按类别
购买新产品
查看所有新品
开发工具
嵌入式解决方案
半导体
光电子产品
电路保护
无源元件
传感器
连接器
电线与电缆
机电产品
热管理产品
电源
机壳产品
测试与测量
工具与供应
主页
产品
新品速递
制造商
服务和工具
技术资源
帮助
联系我们
主菜单
所有产品类别
所有产品类别
LED照明元件
工业自动化
工具与耗材
工程工具
无源元件
内存和数据存储器
电线与电缆
电路保护
电源
半导体
机电产品
机壳产品
光电子产品
传感器
连接器
测试与测量
热管理产品
射频与无线产品
嵌入式解决方案
购物车包含定期发货商品
制造商
制造商编号:
数量
总价(含13%增值税)
制造商零件编号
制造商:
描述:
数量:
购物车小结
* 您的购物车包含错误。
查看购物车
未结余额指根据您选择的付款方式目前应当支付而尚未支付的所有费用。
继续购物
查看购物车
* 您的购物车包含错误。
不再显示,直接进入购物车。
主页
新品速递
制造商新动向
Analog Devices Inc.
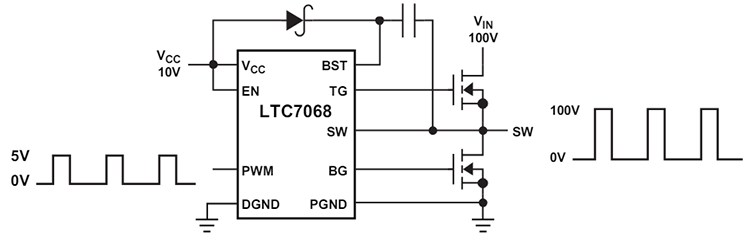
LTC7068 150 V半桥驱动器 - ADI
返回Analog Devices Inc.
Analog Devices Inc. LTC7068 150 V半桥驱动器
放大
查看详情
Analog Devices Inc.详情
查看数据手册
Analog Devices Inc. LTC7068 150V半桥驱动器是一款半桥双N沟道MOSFET栅极驱动器,在高达150V的输入电压下工作,具有独立于电源的三态脉宽调制 (PWM) 输入逻辑。强大的1.3Ω下拉和1.6Ω上拉驱动能力可驱动高压MOSFET的大栅极电容,在高开关频率应用中具有较短的转换时间。自适应击穿保护,专为优化效率和MOSFET跨导保护而设计。LTC7068在V
CC
电源和浮动驱动器电源上包含欠压锁定(UVLO)电路,该电路在激活时关闭外部MOSFET。
特性
150V最大输入电压,与IC电源电压V
CC
无关
V
CC
和底部栅极驱动电压范围:6V至14V
顶部栅极驱动电压范围:4V至14V
1.3Ω下拉、1.6Ω上拉
自适应直通保护功能
带使能引脚的三态PWM输入
V
CC
UVLO和浮动电源UVLO
驱动双路N沟道MOSFET
采用热增强型10引脚小型封装 (MSOP)
应用
工业电源系统
半桥DC/DC转换器
电信电源系统
典型应用
方框图
放大
查看详情
Analog Devices Inc.详情
查看数据手册
快速链接
特性
应用
典型应用
方框图
相关开发工具
返回顶部
Analog Devices Inc.
发布日期: 2024-07-02 | 更新日期: 2024-07-09