低无负载静态电流延长了电池供电系统的工作运行时间。OPTI-LOOP®补偿优化了宽范围输出电容和ESR值上的瞬态响应。MODE引脚可以选择突发模式、脉冲跳跃模式或轻负载连续电感器电流模式。此外,LTC7803还具有扩频运行特性,可显著降低输入和输出电源上的峰值辐射和传导噪声,从而更加轻松地满足电磁干扰 (EMI) 标准规定的要求。
特性
- 低工作IQ :12µA (14V VIN 至3.3V VOUT):
- 宽输入电压范围:4.5 V至40 V
- 输出电压高达40V
- 扩频运行
- RSENSE 或DCR电流检测
- Pass-Thru™/100%占空比能力
- 100%占空比工作
- 可编程固定频率范围:100kHz至3MHz
- 可锁相频率范围:100kHz至3MHz
- 轻负载时可选择连续、脉冲跳跃或低纹波Burst Mode®操作
- 低关断IQ :1.2μA
- 散热增强型16引脚3 mm x 3 mm QFN和MSOP封装
- 正在进行AEC-Q100认证
应用
- 汽车和运输
- 工业
- 军事/航空电子
- 电信
视频
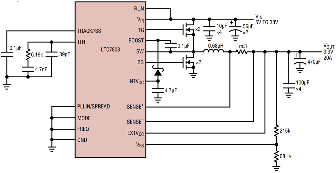
典型应用
发布日期: 2020-06-05
| 更新日期: 2024-10-07

