特性
- 亚毫欧级DCR检测或具有电流检测功能的DrMOS可提高效率
- 使用电源块、DrMOS或外部栅极驱动器与MOSFET进行操作
- 总输出电压精度:±0.5%
- tON(MIN) = 40ns,可在高频下实现极低占空比
- 双路差分远程检测放大器
- 灵活的相位配置
- 双输出电流监控
- 可编程频率范围:250kHz至1.2MHz
- VIN范围不受IC限制
- VCC范围:4.5V至5.5V
- VOUT范围:0.5V至2.0V
- 48引脚 (5mm × 6mm) GQFN封装(适用LTC7852)
- 36引脚 (4mm × 5mm) QFN封装(适用LTC7852-1)
应用
- 计算机系统
- 电信和数据通信系统
- 直流配电系统
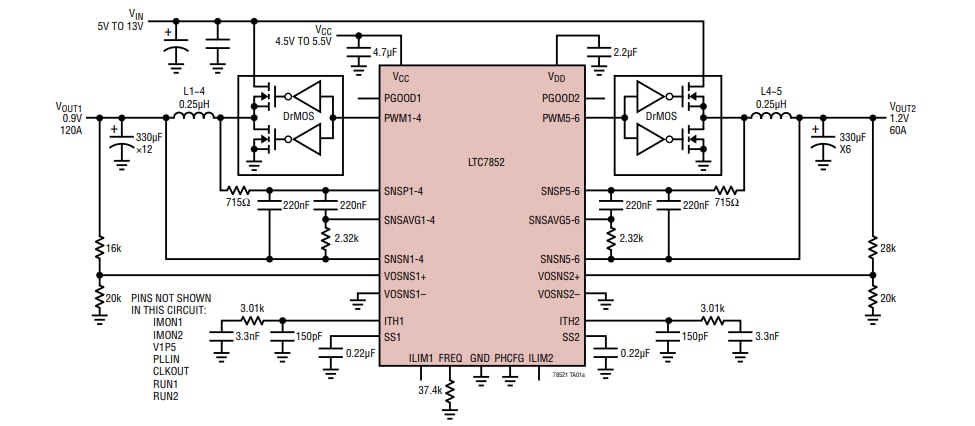
典型应用
视频
发布日期: 2019-04-12
| 更新日期: 2023-10-03

