Adi MAX1769x支持外部时钟同步,避免在具有多个转换器的系统中的输入总线上出现低频“波动”。这些器件具有可编程频率抖动,用于低EMI展频工作。MAX1769x+转换器可对输出整流器二极管正向压降的变化进行温度补偿。这些转换器具有强大的断续保护和热保护功能,工作温度范围为-40°C至125°C。典型应用包括隔离式电源、工业和电信应用、PLC I/O模块和IGBT栅极驱动电源。
应用
- 隔离式电源
- PLC I/O模块
- IGBT栅极驱动电源
- 工业和电信应用
规范
- 环境工作温度范围:-40°C至125°C
- -40°C至150°C结温范围
- 电源电压范围:4.2V至60V
- 2.5µA关断电流
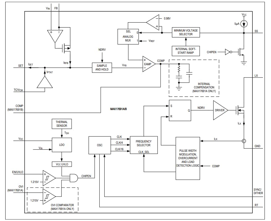
框图
典型应用电路
发布日期: 2021-03-31
| 更新日期: 2025-05-22

