Analog Devices Inc. MAX20048半桥降压-升压控制器
Analog Devices Inc. MAX20048半桥降压-升压控制器是一款电流模式降压-升压控制器。该器件工作采用4.5V至36V的输入电压,空载时仅消耗55µA静态电流。在达到启动条件后,该器件可在2V至36V的扩展输入电压范围内工作。开关频率可通过电阻器在220kHz至2.2MHz范围内编程,并可与外部时钟同步。该器件的输出电压可以为5V固定电压或4V至25V可调电压。该器件具有宽输入电压范围,并能够在电池瞬态期间保持恒定输出电压,因此非常适合用于汽车应用。在轻负载应用中,逻辑输入 (FSYNC) 支持器件在跳跃模式下工作以降低电流消耗,或者在固定频率强制PWM模式下工作以消除频率变化,最大限度地降低EMI。保护功能包括:逐周期限流以及带自动恢复的热关断。MAX20048采用小型4mm x 4mm 24引脚TQFN-EP SW封装。特性
- 满足严格的汽车质量和可靠性要求
- VIN 工作范围为2V至36V,可在冷启动条件下工作
- 可承受40 V输入瞬变
- EN引脚兼容:+3.3V至+40V
- 汽车级温度范围:-40°C至+125°C
- 符合AEC-Q100标准
- 高效解决方案,小解决方案尺寸
- 跳跃模式,实现高效低功耗运行
- 5 V固定输出电压和4 V至25 V可调电压
- 高开关频率只需使用少量外部元件
- 小型4mm x 4mm 24引脚SW TQFN封装
- 低静态电流有助于设计人员满足严格的OEM电流要求
- 待机模式下的静态电流为55µA
- 关断模式下的最大静态电流为10µA
- EMI抑制,满足CISPR25第5类要求
- 工作频率:220kHz至2.2MHz
- 固定频率PWM模式
- 外部频率同步或SYNC OUT功能(可通过OTP选项选择)
- 可通过OTP选项为IC启用或禁用扩频
应用
- 仪表盘
- 负载点电源。
- 远程显示器
- 起停系统
- USB供电
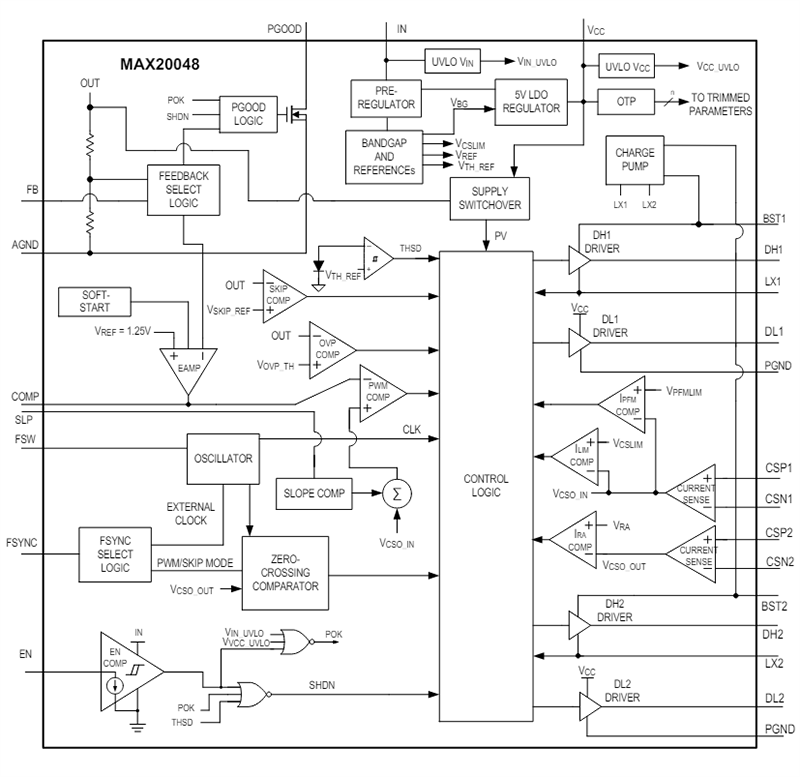
功能框图
典型应用电路
推荐的 PCB 布线
发布日期: 2020-04-22
| 更新日期: 2024-05-14
