Analog Devices / Maxim Integrated MAX33076E高速四通道RS-422/RS-485接收器
Analog Devices MAX33076E高速四通道RS-422/RS-485接收器提供高CMR(共模范围)、高故障保护和高ESD以适应恶劣电气环境。这些器件的工作电源范围为+3.3V或+5.0V。高 ±25V的CMR有助于在两个节点之间的接地平面存在较大差异或来自电机或其他电气噪声源的大量外部干扰时接收消息。MAX33076E提供 ±65V的扩展故障保护,数据线受到保护,不会因意外短路而损坏本地电源。此外,高 ±25kV ESD HBM(人体模型)保护数据线可在生产或现场免受ESD击穿。Analog Devices MAX33076E高速四通道RS-422/RS-485接收器具有真正的故障电路,当接收器输出短路、开路或连接中断的传输线路(所有驱动器禁用)时,接收器输出处于高电平状态。
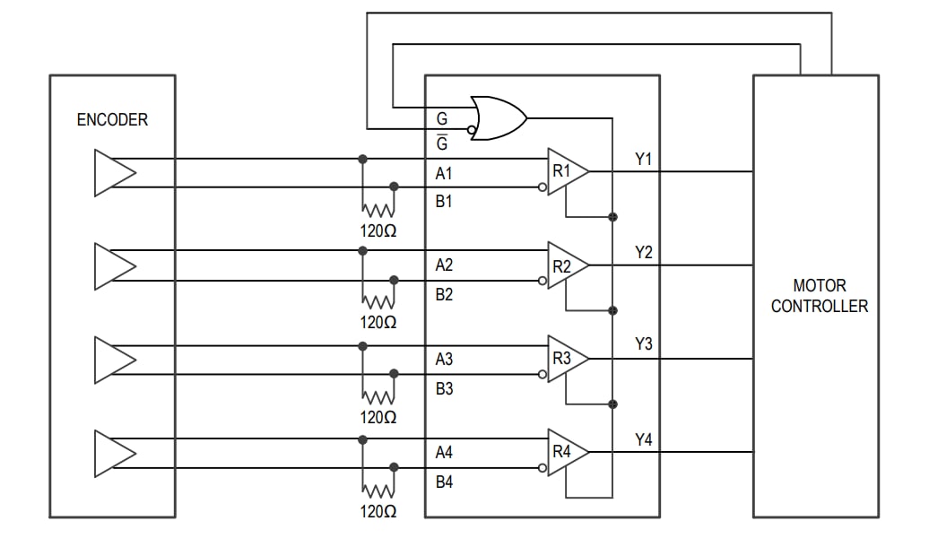
MAX33076E上的G和Δ引脚分别配置为高电平有效和低电平有效,并启用或禁用输出。该器件与MAX3095-96 接收器引脚兼容。
MAX33076E采用16引脚SOIC或QSOP封装,额定温度范围为-40°C至+125°C。
特性
- 集成保护提高稳健性
- ±65V故障容限四路接收器线路
- ±25kV ESD HBM
- 共模范围:±25V
- 真正故障保护接收器可防止接收器输入短路或开路事件的故障转换
- 工作温度范围:-40°C至+125°C
- 行业标准,便于升级
- 16引脚SOIC和QSOP封装
- 引脚分配与行业标准 MAX3095-96接收器 兼容
- 电源电压:+3.3V或+5.0V
- 数据速率选项:20Mbps或35Mbps
应用
- 电机控制器
- 电信设备
- 电网设备
- CNC机床
- 激光模块
框图
典型应用电路
发布日期: 2022-03-29
| 更新日期: 2025-09-18
