ACFL-3161光耦合器设计具有高峰值驱动电流能力,可确保在各种应用中直接驱动SiC MOSFET或IGBT的最佳性能。该器件支持快速传播延迟和紧密死区时间失真,因此非常适合用于在高频下驱动SiC MOSFET和IGBT。
特性
- 工业温度范围:–40°C至+125°C
- 高输出驱动电流:10A(峰值)
- 轨到轨输出电压
- 传播延迟:95ns(最大值)
- 死区时间失真:35ns(最大值)
- 宽工作电源 (VDD) 范围:15V至30V
- 带磁滞的欠压锁定 (UVLO) 保护
- IDD=4mA(最大值)低电源电流支持自举半桥拓扑
- 共模瞬态抑制 (CMTI):100kV/μs(VCM=1000V时)
- 高抗噪性
- 直接LED输入,输入阻抗低,噪声灵敏度低
- 单通道,采用SO-12封装,具有8mm爬电距离与间隙
- 监管机构认证:
- UL1577 5k Vrms,持续1分钟
- CAN/CSA-C22.2 No. 62368-1
- IEC 60747-5-5VIORM=1230VPEAK
应用
- 工业自动化和机器人电机驱动
- 电源和充电器
- 可再生能量逆变器和存储
视频
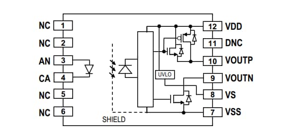
功能图
发布日期: 2021-11-03
| 更新日期: 2022-10-25

