特性
- 功耗:3mA,在VCC=5V时的能效
- 单电流源输出
- 线性电压输出,实现电路设计的灵活性
- 低噪声输出几乎无需滤波
- 稳定、精确的输出
- 工作温度范围:-40°C至+105°C
- 响应正或负高斯
- 最大瞬时电源电压:高达50V
- 高ESD额定值:
- 3000V(人体模型)
- 2000V(充电设备模型)
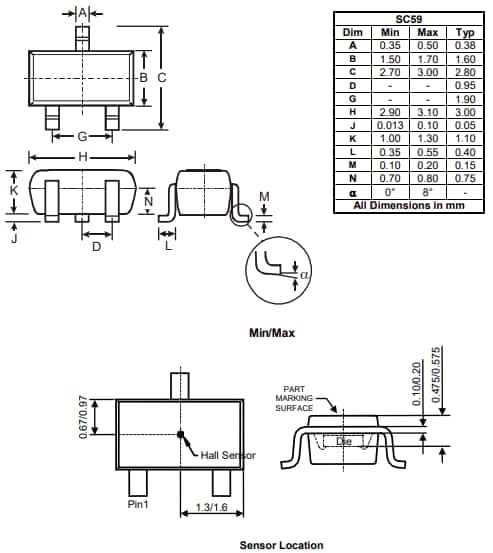
- 小型薄型SC59封装
- 符合AEC-Q100 2级标准
- 无铅,符合RoHS指令
- 不含卤素和锑的“绿色”器件
应用
- 位置传感
- 电平传感
- 重量传感
- 铁金属探测器
- 振动传感
- 旋转编码器
- 磁性代码读取
- 电机控制
- 电流检测
功能框图
包装外形尺寸
发布日期: 2023-06-13
| 更新日期: 2024-05-16

