特性
- 保护特性
- 过载
- 短路
- 过压
- 过热
- 内置恒流限制电路
- 强制风冷,冷却风扇速度控制
- 内置DC OK指示,远程控制,远程检测
应用
- 工业自动化机械
- 工业控制系统
- 机械和电气设备
- 电子仪器
规范
- 输入范围:180VAC至305VAC
- 高 41 mm
- 5秒内达到150%峰值功率
- 效率高达 94%
- OVC III类
- 工作高度可达5000 m
- 工作温度范围:-30 °C至+70 °C
- 全球证书
- ITE 62368-1
- 工业61558-1/-2-16
目标市场
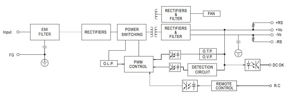
方框图
对比图
尺寸
发布日期: 2025-06-27
| 更新日期: 2025-07-28

