Microchip PIC18Fx K40 高性能微控制器

Microchip PIC18Fx K40
高性能微控制器

Microchip PIC18Fx K40 高性能微控制器结合了大型闪存/EE/RAM 存储器、丰富的外设集成、XLP 和 5V 支持,以适应各种通用应用。 这些 28/40/44 引脚器件可提供内核独立外设,例如 CWG、WWDT、CRC/存储器扫描、硬件 CVD、零交叉检测和外设引脚选择。 这样便可提高设计灵活性并降低系统成本。

特性
  • C 编译器优化 RISC 架构
  • 仅 83 条指令
  • 运行速度:
  • 直流 - 64MHz 时钟输入
  • 最小指令周期:62.5ns
  • 可编程 2 级中断优先级
  • 31 级深度硬件堆栈
  • 三个 8 位计时器 (TMR2/4/6),带硬件限制计时器 (HLT)
  • 四个 16 位计时器 (TMR0/1/3/5)
  • 小电流上电复位 (POR)

  • 上电延时计时器 (PWRT)
  • 欠压复位 (BOR)
  • 低功耗 BOR (LPBOR) 选项
  • 可编程代码保护
  • 窗口看门狗计时器 (WWDT):
  • 计时器监控溢出和下溢事件
  • 可变预定标器选择
  • 可变窗口尺寸选择
  • 所有源皆可在硬件或软件中配置
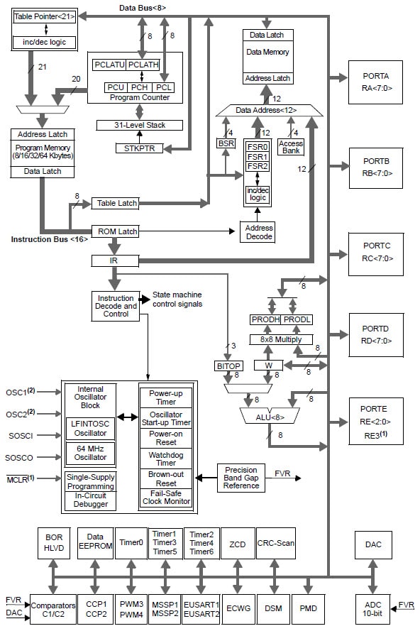
方框图
方框图
电子快讯
  • Microchip Technology
发布日期: 2017-03-06 | 更新日期: 2017-03-06