Microchip USB2534D专门优化用于高性能和最低BOM成本是关键设计条件的嵌入式系统。此外,USB端口上所需的所有电阻器,包括D+和D-引脚上的所有串联终端和上拉/下拉电阻器均集成到集线器中。
USB2534D有助于上游电池充电器检测和下游电池充电。USB2534D集成电池充电器检测电路采用USB-IF电池充电 (BC1.2) 检测方法,适用于大多数Apple® 设备。这些电路会检测USB充电器的连接和类型,并提供中断输出,以指示可通过串行接口从器件的状态寄存器读取充电器信息。
特性
- 4端口 USB 2.0集线器控制器,用于Intel Thunderbolt应用
- USB-IF电池充电器版本1.2支持上行和下行端口(DCP、CDP、SDP)
- 为苹果器件提供电池充电支持
- FlexConnect:下行端口1能够与上行端口互换,允许可作为主设备的设备控制集线器上的其他设备
- USB转I²C™桥接端点支持
- 支持USB链路电源管理 (LPM)
- SUSPEND(“挂起”)引脚,用于向主机发出远程唤醒指示
- 供应商特定消息 (VSM) 支持
- 可通过单个串行I²C EEPROM、OTP或SMBus从端口提供增强型OEM配置选项
- 36引脚 (6mm x 6mm) SQFN封装,符合RoHS指令
- 占位尺寸与 USB2514B 兼容
应用
- 扩展坞和监视器
- LCD显示器和电视机
- 多功能USB外设
- PC主板
- 嵌入式系统
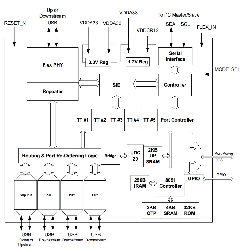
框图
发布日期: 2025-03-28
| 更新日期: 2025-04-08

