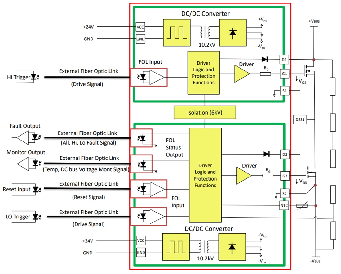
特性
- 支持3.3kV HV100/LinPak SiC模块
- 10.2kV一次侧到二次侧隔离
- 增强开关(可配置的导通和关断)
- 监控功能(隔离温度、直流链路监控)
- 高级保护特性(UVLO、OVLO、Desat、负温度系数 (NTC))
- 2 X 10 W输出功率
- 峰值拉/灌电流:15A
- 可配置栅极输出电压
- 软关闭 (SSD) 时间和电压电平
- 符合以下标准
- 铁路标准EN50155
- EMC符合EN 50121-3-2、EN 61000-6-4标准
- 冲击和振动符合EN 61373标准
- 火灾危险等级HL2
应用
- 轨道牵引(辅助和推进系统)
- 电池充电系统
- 智能电网/并网配电发电
- 不间断电源 (UPS) 系统
- 工业电机驱动器
- 重型设备
- 中压充电器/快速充电器
基本原理图
发布日期: 2025-01-13
| 更新日期: 2025-01-31

