Mikroe Angle 2 click板 (MIKROE-2338)
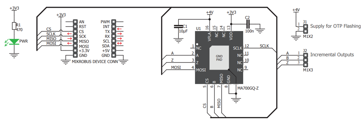
MikroElektronika Angle 2 click板 (MIKROE-2338) 是一款磁性旋转传感器,基于MA700超快速角度传感器集成电路。得益于500kHz的高数据输出速率,MA700 IC能够以高达100,000 RPM的速度提供可靠的绝对角度位置数据。该解决方案非常适合用于各种非接触式角度测量应用。该器件可用于各种机器人和汽车应用中的伺服驱动器,以及BLDC电机速度检测(替代机械二次编码器)。
特性
- 以高达100,000 RPM的速度进行精确的磁性角度测量
- 即使与轴外磁铁一起使用,也具有良好的线性度和低误差幅度
- 无延迟Spinaxis技术
- OTP内存,用于永久存储默认参数等。
应用
- 用于各种非接触式角度测量应用的解决方案
- 可用于各种机器人和汽车应用中的伺服驱动器
Related Products
Enables the addition of sensors to applications and designs, based around the mikroBUS™ interface.
发布日期: 2018-12-20
| 更新日期: 2022-08-08