Mini-Circuits SRA-1H+ Plug-In Double Balanced Frequency Mixer
Mini-Circuits SRA-H1+ Plug-In Double-Balanced Frequency Mixer is a Level 17 (LO Power +17dBm) RF mixer with a 0.5MHz to 500MHz range. The SRA-H1+ component is packaged in a hermetic A01 case style with a rugged welded construction. This 8-pin, through-hole mounted unit allows secure electrical and mechanical connections. The Mini-Circuits SRA-H1+ Plug-In Double-Balanced Frequency Mixer also features an operating and storage temperature range of -55°C to +100°C, a 200mW RF power, and 40mA IF current. Mixers are used in systems covering communications, weapons, test instruments, radar, data transmission, and more.Features
- Excellent conversion loss (6.01dB typical)
- Rugged welded construction
- Hermetic
- Level 17 (LO Power +17dBm)
- High L isolation ratings
- 45dB typical L-R isolation
- 40dB typical L-I isolation
- RoHS compliant
Applications
- VHF/UHF
- Defense and federal communications
- Instrumentation
Specifications
- -55°C to +100°C operating and storage temperature range
- 200mW RF power
- 40mA IF current
- 0.5MHz to 500MHz frequency range
- A01 case style
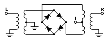
Schematic
发布日期: 2021-01-28
| 更新日期: 2022-03-11
