Nisshinbo NL9620高精度仪表放大器
Nisshinbo NL9620高精度仪表放大器是一款高精度、低功耗的仪表放大器,设计用于需要精确信号放大以及超低噪声和漂移的应用场景。该放大器具有125µV(+25°C时最大值)的低输入偏置电压和2nA(最大值)的低输入偏置电流,确保出色的直流精度,是传感器信号调理、医疗仪器和工业测量系统的理想选择。Nisshinbo NL9620支持±2.3V至±18V的宽供电电压范围,增益范围可通过外部电阻配置为1至10,000。凭借110dB(最小值)的高共模抑制比 (CMRR) 和轨到轨输出特性,NL9620放大器即使在噪声环境中也能提供高性能。该放大器提供VSP-8-AF或EMP-8-AN封装选项,结合低功耗特性,使其更适合空间受限且对功耗敏感的精密模拟前端设计应用。特性
- 通过单个外部电阻设置增益,增益范围1至10K
- 低输入偏置电压
- +25°C时最大值125μV
- -40°C至+85°C范围内最大值185μV
- 最大输入偏置电压漂移:1μV/°C
- 最大输入偏置电流:2nA
- 典型供电电流:0.9mA,最大值1.3mA
- 最小共模抑制比:110dB (G = 100)
- 供电电压范围:±2.3V至±18V
- 集成EMI滤波器
- 最小电压噪声:13nV/√Hz (f = 1kHz)
- 典型-3dB带宽:120kHz (G = 100)
- 最小压摆率:0.75V/μs
- 双极架构
- 指定工作温度范围:-40°C至+85°C
- 封装选项
- VSP-8-AF (2.9mm x 4.0mm x 1.1mm)
- EMP-8-AN (5.0mm x 6.0mm x 1.5mm)
- 镀层成分:Sn2Bi
- 无卤,符合RoHS指令
应用
- 电池供电设备
- 传感器接口(应变计、流量计和压力传感器)
- 传感器信号调理
- 精密模拟前端
- 传感器接口
- 称重秤
- 医疗仪器
- 工业测量系统
视频
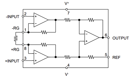
框图
内部框图
发布日期: 2025-07-08
| 更新日期: 2025-12-03
