特性
- 通过满足操作系统和游戏日益增长的MIPS要求,动态电压和频率调节 (DVFS) 显著降低功耗,允许器件在较低电压和频率下运行,具有足够执行音频解码等任务的MIPS,从而提高高级便携式应用的能力。
- 每个处理器的多级存储器系统基于L1指令和数据缓存、L2缓存以及内部和外部存储器-该处理器支持多种类型的外部存储器器件,包括DDR3、LPDDR2、NOR闪存、PSRAM、蜂窝RAM和托管型NAND,包括高达4.4/4.41版eMMC
- 整个IC的电源管理使丰富的多媒体功能和外设能够在有源模式和各种低功耗模式下功耗极低-智能速度技术使设计人员能够提供功能丰富的产品,所需的功率远低于行业预期。
- 通过调节电压和频率来优化性能,以便提高器件的功率效率
- 多级缓存系统、NEON™ MPE(媒体处理器引擎)协处理器和可编程智能DMA (SDMA) 控制器增强了每个处理器的多媒体性能
- 每个处理器均具有3个独立的集成图形处理单元:2D BLit引擎、2D图形加速器和专用OpenVG™ 1.1加速器
- 支持连接各种接口,包括LCD控制器、CMOS传感器接口(并行)、带PHY的高速USB OTG、高速USB主机PHY、多个扩展卡端口(高速MMC/SDIO主机和其他)、10/100Mbps以太网控制器和各种其他常用接口(如UART、I2C和I2S串行音频)
- 集成电子纸显示屏 (EPD) 控制器,支持彩色和单色电子墨水,当刷新率为106Hz时,分辨率高达2048 x 1536,刷新率为20Hz时,分辨率为4096 x 4096,灰度为5位(每个颜色通道32级)
- 提供硬件支持的安全特性,支持安全电子商务、数字版权管理 (DRM)、信息加密、安全启动和安全软件下载
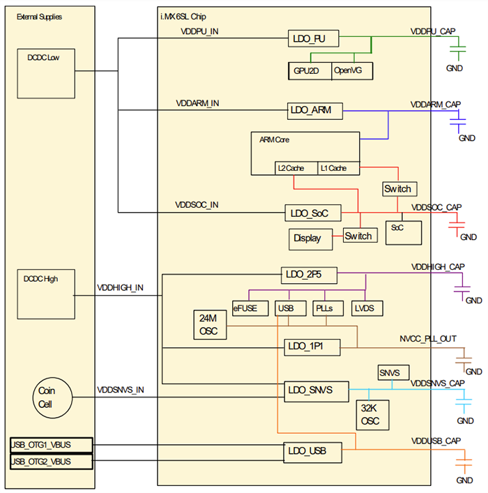
- 集成电源管理线性稳压器,在内部生成不同域的所有电压电平,显著简化了系统电源管理结构
- 具有中断功能的GPIO焊盘设计支持1.8V和3.3V电源的可配置双电压轨,可配置为在任一电压电平上连接
应用
- 彩色和单色电子阅读器
- 入门级平板电脑
- 条形码扫描仪
系统方框图
电源框图
发布日期: 2024-02-21
| 更新日期: 2024-03-14
