NXP NVT4858双电压电位转换器具有连接到VCCB 电源引脚的自动启用/禁用功能、内置EMI滤波器以及VCCB 或任何板卡侧引脚上的强大ESD保护(iec 61000-4-2,4级)。因为具备这些特性,所以无需使用外部ESD二极管。此外,NVT4858支持SIM卡电压电平转换器,使用CLK和两条数据线用于SD和SIM卡组合插座。
特性
- 支持最高208MHz的时钟速率
- 符合SD 3.0规范的电压转换,支持SDR104, SDR50, DDR50, SDR25, SDR12,高速和默认速度模式
- 符合所有ETSI、IMT-2000和ISO-7816 SIM/智能卡接口要求
- 支持SD/SIM卡供电电压(1.65V至3.6V)
- 主机微控制器工作电压范围为1.08V至1.95V
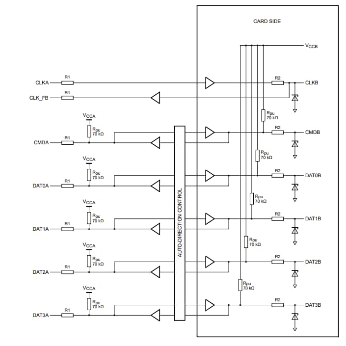
- 用于同步时钟的反馈通道
- 推挽输出级及先断后作结构实现功耗低
- 通过VCCB自动启用和禁用
- 集成上拉和下拉电阻器,无需外部电阻器
- 集成EMI滤波器抑制数字I/O的高次谐波
- 集成8kV ESD保护(符合iec 61000-4-2,4级),用于VCCB 或任何卡侧引脚,无需外部ESD二极管
- 电平转换缓冲器使ESD应力远离主机(零钳位概念)
- 提供XQFN16(0.4mm间距)和WLCSP16(0.35mm间距)
应用
- 智能手机
- 移动手持设备
- 数码相机
- 平板电脑
- 笔记本电脑
- SD、MMC或microSD读卡器
框图
功能图
发布日期: 2021-12-02
| 更新日期: 2023-03-23
