Sensirion SGP41 CMOSens®/MOXSens®数字式空气质量传感器
Sensirion SGP41 CMOSens®/MOXSens®数字式空气质量传感器是一款完整、易于使用的单芯片传感器系统,具有数字I2C接口和温控微热板,提供一个基于VOC和一个基于NOx的室内空气质量信号。传感元件和气体索引算法具有对空气质量应用中存在的污染气体的高鲁棒性,从而实现独特的长期稳定性和低漂移。气体传感器采用DFN封装,尺寸为2.44mm2 x 0.85mm,实现在有限空间内的应用。Sensirion SGP41 CMOSens®/MOXSens®数字式空气质量传感器旨在轻松集成到空气净化器或按需控制的通风系统中。特性
- 基于MOx的气体传感器,用于空气质量应用
- 长期稳定性和长寿命(超过10年)
- 数字输出信号I2C接口
- 小型6引脚DFN封装,尺寸:2.44mm2 x 0.85mm
- 低功耗:3.3V时为3.2mA
- 可进行回流焊
应用
- 按需控制的通风系统
- 空气净化器
- 空气交换装置
- 厨房抽油烟机
规范
- 性能
- 输出信号范围
- 500个VOC和NOx 索引点
- 65,535计次,数字原始值
- 测量范围
- 清洁空气中乙醇:0至1,000,000ppb;指定值:500ppb至10,000ppb
- 洁净空气中NO2 :0至10, 000ppb,指定值:50ppb至650ppb
- 器件间变化
- < ±15个VOC索引点
- < ±50个NOx 索引点
- 可重复性
- <±5个VOC索引点
- <±10个NOx 索引点
- 采样间隔范围:0.5s至10s
- 输出信号范围
- 电气规格
- 电源电压范围:1.7V至3.6V
- 空闲电流: 105µA(最大值)
- 工作供电电流范围:3.2mA至6.9mA
- 时间
- 上电和软重置时间:0.6ms (最大值),0.4ms(典型值)
- 400kHz SCL时钟频率
- 温度范围
- 工作:-10°C至+50°C
- 存储:+5°C至+30°C
- 相对湿度
- 工作:0至90%
- 存储:0至80%
视频
框图
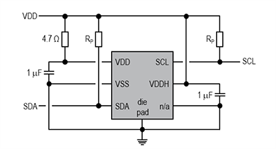
应用电路
发布日期: 2021-10-21
| 更新日期: 2023-03-27
