该器件集成UVLO和热关断等保护功能,可轻松设计高可靠性系统。通过双输入引脚选择控制信号极性,还可以实施硬件互锁保护,可在控制器发生故障时避免交叉传导。该器件支持实现负栅极驱动,板载隔离式直流-直流转换器支持为MOSFET/IGBT提供优化的驱动电压。STMicroelectronics EVALSTGAP2HSM支持轻松选择和修改相关外部元件的值,以便在不同应用条件下评估驱动器的性能,并对最终应用元件进行预微调。
特性
- 电路板
- 高达1200V高压轨
- 负栅极驱动
- 板载隔离式直流-直流转换器,为高侧和低侧栅极驱动器供电,由VAUX=5V馈电,最大隔离为5.2kV
- 板载生成3.3V VDD逻辑电源,或5V(外部施加)
- 可轻松选择跳线以驱动电压配置:+15/0V;+15/-3V;+19/0V;+19/-3V;
- 设备
- 驱动器电流能力:4A拉电流/灌电流(25°C时)
- 独立的拉电流和灌电流,可简化栅极驱动配置
- 电隔离:6000V
- 传播延迟短:75ns
- UVLO功能
- 栅极驱动电压高达26V
- 3.3V、5V TTL/CMOS输入,带迟滞
- 高温关断保护
- 待机功能
应用
- Motor drivers
- Home appliances
- Factory automation
- Industrial drives
- Fans
- 600/1200V inverters
- Battery chargers
- Induction heating
- Welding
- UPS
- Power supply units
- DC-DC converters
- Power factor correction
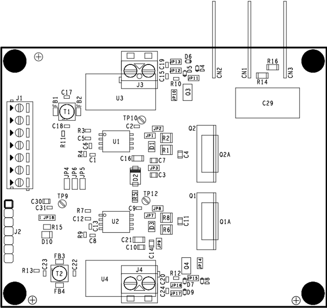
板布局
发布日期: 2020-10-02
| 更新日期: 2025-01-03

