STMicroelectronics STEVAL-MKI182V2适配器板
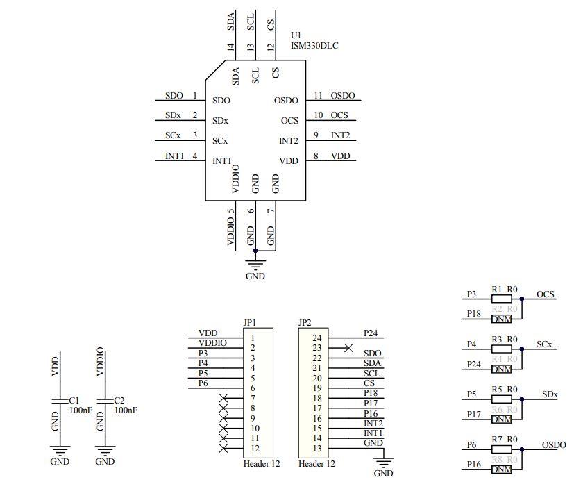
STMicroelectronics STEVAL-MKI182V2适配器板设计用于评估ISM330DLC产品系列中的MEMS器件。该适配器提供完整的ISM330DLC引脚分配,并配有V
DD电源线路上所需的即用型去耦电容器。STEVAL-MKI182V2适配器板可以插入标准DIL 24插座,为快速系统原型设计和器件评估提供了有效的解决方案。该适配器与STEVAL-MKI109V2和STEVAL-MKI109V3主板完全兼容,设有高性能32位微控制器,该微控制器在传感器和PC之间起到桥接作用。
特性
- 便于评估ISM330DLC产品系列中的MEMS器件
- 针对标准DIL 24插座的完整ISM330DLC引脚分配
- 完全兼容STEVAL-MKI109V3主板
- 更改电阻设置还与STEVAL-MKI109V2主板兼容
- 符合RoHS指令
了解详情
3D数字加速度计和3D数字陀螺仪,非常适合用于工业4.0应用。
相关产品
采用 ST 强大、成熟制造工艺的 3D 数字加速计和 3D 数字陀螺仪。
发布日期: 2018-10-09
| 更新日期: 2023-02-21