STMicroelectronics STEVAL-MKI215V1适配器板
STMicroelectronics STEVAL-MKI215V1适配器板设计用于轻松评估LSM6DS032产品系列中的MEMS器件。该适配器板提供了一种高效的解决方案,用户可以快速在自己的应用中建立系统原型,并直接进行器件评估。STEVAL-MKI215V1适配器板提供完整的LSM6DS032引脚分配,并可随时与VDD电源线路上所需的去耦电容器配合使用。该适配器板支持STEVAL-MKI1093V3主板,设有高性能32位微控制器,该微控制器在传感器和PC之间起到桥接作用。该主板用于下载图形用户界面或专用软件例程来定制应用。STEVAL-MKI215V1适配器板可插入标准X-NUCLEO-IKS01A2板、X-NUCLEO-IKS01A1板和X-NUCLEO-IKS01A3板。该适配器板可在-40°C至85°C温度范围内工作。典型应用包括可穿戴设备、智能手表、运动设备、运动跟踪、手势位置、硬落体检测、物联网和联网设备、传感器集线器、导航以及手持式设备的智能节能。
特性
- 兼容STEVAL-MKI109V3主板
- 针对标准DIL 24插槽的完整LSM6DS032引脚分配
- 工作温度范围:-40°C至85°C
- 符合RoHS指令
应用
- 可穿戴设备、智能手表和运动设备
- 运动跟踪和手势位置
- 硬落体检测
- 传感器集线器
- 导航
- 手持式设备的智能节能
- 物联网及联网设备
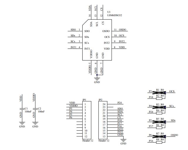
适配器板示意图
发布日期: 2020-09-01
| 更新日期: 2024-12-30
