STMicro L9305驱动器架构可确保每个通道电流测量的冗余。可编程电流范围为0A至1.5A(正常范围),分辨率为0.25mA;或可编程电流范围为0A至2A(扩展范围),分辨率为0.33mA。用户可以在设定值电流上叠加可配置的抖动调制。
特性
- 符合 AEC-Q100
- 4通道独立LSD/HSD电流控制驱动器
- 集成电流检测路径
- 电流精度(在正常范围内)
- 在0到0.5A范围内为±5mA
- 在0.5A到1.5A范围内为±1%
- 当前精度(在扩展范围内)
- 在0A至0.3A范围内为±15mA
- 在0.3A至0.5A范围内为±5%
- 在0.5A至2A范围内为±4%
- 最大驱动器RDSON 为375mΩ(温度为175°C时)
- 13位电流设定值分辨率
- 可变和固定频率电流控制
- 可编程抖动功能
- 可选择驱动器转换速度控制
- 安全功能
- 支持VDS 监控的高侧故障安全ENABLE开关预驱动器
- 冗余安全ENABLE路径
- 使用BIST进行高级诊断和监控
- 温度传感器和监控
- 所有通道的冗余电流检测
- 校准和配置存储器,包括CRC
- 使用地址反馈、5位CRC、帧计数器和长/短帧检测进行安全串行通信
- 寄存器验证
- 使用5位CRC消息验证的32位SPI通信
- PWSSO36和TQFP48封装选项
- 完整ISO26262合规,ASIL-D系统就绪
应用
- 汽车
- 底盘与安全
- 主动悬架
- 制动系统
- ABS
- 电子稳定性控制(ESC)
- 底盘与安全
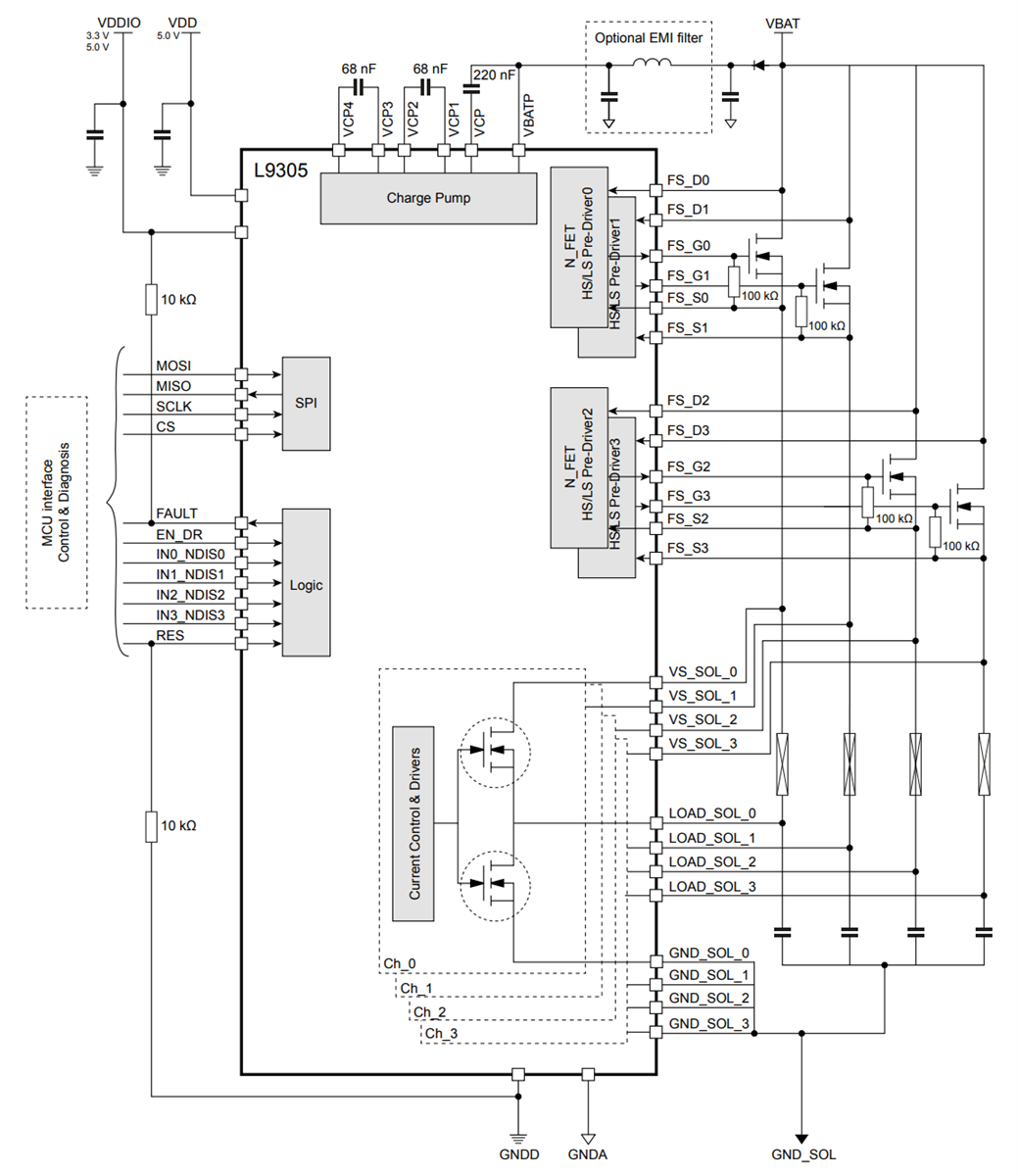
方框图
PWSSO36应用原理图
TQFP48应用原理图
发布日期: 2025-08-08
| 更新日期: 2025-08-19

