STMicroelectronics STEVAL-MKI201V1K评估套件
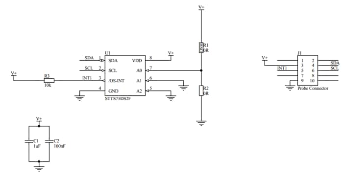
STMicroelectronics STEVAL-MKI201V1K评估套件包括一个带有STTS75温度传感器的探头,该传感器通过扁平电缆连接到STEVAL-MKIGIBV1适配器板。这样即可连接STEVAL-MKI109V3主板。STEVAL-MKI201V1K评估套件采用小型封装,因此可安装在非常薄的探头上。这样有助于记录温度读数,而不受其他电子元件或电路板散发的热量的影响。STEVAL-MKI201V1K评估套件提供完整的STTS75引脚分配,并在VDD电源线上设有所需的去耦电容。STEVAL-MKIGIBV1适配器板可插入标准DIL24插槽中。STEVAL-MKI109V3主板采用32位高性能微控制器,该微控制器在传感器和PC之间起到桥接的作用。特性
- 简单易用的STTS75温度传感器板
- 针对标准DIL24插槽的完整STTS75引脚分配
- 完全兼容STEVAL-MKI109V3主板
- 符合RoHS指令
- 符合WEEE标准
STEVAL-MKI201V1K评估套件示意图
发布日期: 2019-03-06
| 更新日期: 2025-12-12
