STMicroelectronics L99H92具有两个断态诊断比较器,可检测潜在的接地短路、电池短路或开路负载情况。集成的标准串行外设接口 (SPI) 可控制器件并提供诊断信息。附加的DIAGN输出引脚可在设备出现故障时以比SPI通信更快的速度向微控制器发出警报。L99H92器件具有诊断和保护功能,例如电源电压监控、电荷泵电压监控、过流保护、温度警告和过热关断。该器件采用TQFP32和QFN32封装,均带有裸露焊盘。QFN32具有可湿性侧翼,便于目测检查焊点。
特性
- 符合 AEC-Q100
- 电源工作电压范围为4.51V至28V(栅极驱动器工作电压为5.41V)
- 3.3V/5V兼容I/O
- 连接到微控制器、故障安全输入和VDD的所有引脚均可耐受电池暴露
- 双半桥驱动器与标准电平阈值NMOSFET兼容
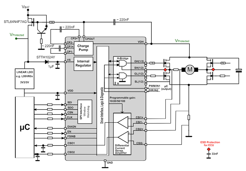
- 可配置的全桥或双独立半桥控制,全桥控制时可编程再循环路径
- 两级电荷泵支持100% PWM占空比,电池电压低至5.41V
- 高侧和低侧最小VGS=6.2V,在VDH=5.5V且电荷泵负载电流(ICPLOAD)等于5mA时
- 高侧和低侧最小VGS=8.2V,在VDH≥8V且电荷泵负载电流(ICPLOAD)等于10mA时
- 电荷泵输出可用于驱动外部反向电池NMOSFET保护
- 可编程栅极驱动电流(高达170mA),用于输出电压压摆率控制
- 可编程漏源监控,用于过流保护和可编程交叉电流保护时间(死区时间)
- 断态诊断模式下的开路负载和输出短路检测
- 用于控制和诊断的SPI (ST SPI 4.1)
- 可编程诊断输出
- 2个独立的电流检测放大器
- 低失调和极低热漂移
- 适合用于高侧、直插式和低侧电流检测
- 独立可编程增益 (10x、20x、50x、100x)
- 模拟输出以VDD/2或VDD/22为中心
- 过热预警和关断
- 模拟和数字电源输入过压/欠压保护
- 异步且独立于逻辑的故障安全输入可关闭所有MOSFET
- 低静态电流
- 支持高达ASIL B的随机硬件故障
- QFN32(带可湿性侧翼)或TQFP32 (7mm x 7mm) 封装选项
- 符合RoHS指令的器件
应用
- 天窗
- 电动后备箱升降门
- 滑动门
- 车窗升降器、安全带预紧器等
框图
应用原理图
发布日期: 2024-05-02
| 更新日期: 2024-05-14

