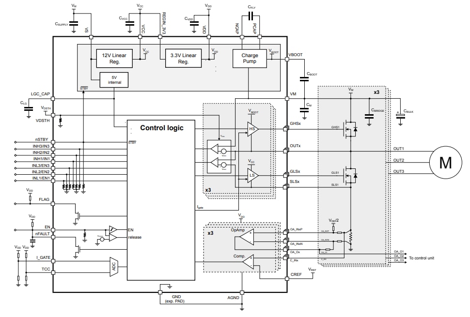
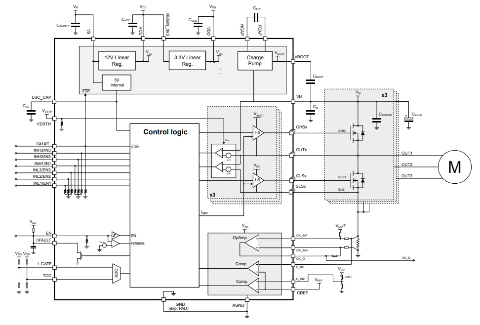
STDRIVE102BH/H具有嵌入式保护功能,提高了应用的整体稳健性。保护措施包括每个电源上的欠压锁定(UVLO)(VCC、VDD和电荷泵电压)、热关闭,以及高侧和低侧的VDS监控MOSFET。如果触发了保护功能,nFAULT开漏引脚将发出信号。STMicro STDRIVE102BH具有另一个专用开漏引脚(FLAG),用于指示栅极驱动器电源VCC是否低于保护限值。该器件集成了智能关闭操作,可在发生故障时立即关闭栅极驱动器输出,从而最大限度地减少故障检测事件与实际输出关闭之间的传播延迟。
除了主电源引脚(VS)外,STDRIVE102BH/H还具有专用引脚VM,应与高侧N沟道MOSFET的漏极相对应地连接到电机电源电压。VM引脚用于集成VDS监控,并用作电荷泵的参考电压。VS和VM引脚可在不同电压下工作,提高器件的灵活性。
特性
- 工作电压:6 V至50 V
- 栅极驱动器,可编程电流能力高达:
- 拉电流:1 A
- 灌电流:2 A
- 较高的地面和过冲抑制能力
- 用于100%占空比运行的电荷泵,具有专用欠压锁定保护功能
- 灵活的电源管理:
- 12 V LDO线性稳压器,具有专用欠压闭锁保护功能
- 3.3 V LDO线性稳压器,具有专用欠压闭锁保护功能
- 待机模式,功耗低于50nA
- 热关断保护
- VDS监控,用于安全驱动功率MOSFET
- 灵活的模拟前端:
- 多达三个宽带宽运算放大器
- 多达三个高速比较器
- 双控制模式:
- ENx/INx
- 带联锁功能的INHx/INLX
- 所有通道均有相配的传播延迟
- 逻辑输入高达5V,兼容TTL
应用
- 电池供电型电动工具
- 便携式真空吸尘器
- 电动自行车
- 工业自动化
- 机器人技术
- 泵和风扇
STDRIVE102BH 方框图
STDRIVE102H 方框图
视频
发布日期: 2025-04-17
| 更新日期: 2025-08-27

