STMicroelectronics TDA7851A / TDA7851F 4x45W MOSFET Power Amplifiers

查看产品清单

其他资源

STMicroelectronics TDA7851A / TDA7851F 4x45W
MOSFET 功率放大器

STMicroelectronics TDA7851A 和 TDA7851F 4x45W MOSFET 四通道桥接功率放大器被设计用于大功率汽车无线电应用。STMicroelectronics TDA7851A 和 TDA7851F 4x45W MOSFET 四通道桥接功率放大器具有完全互补的 PNP/NPN 结构,可实现轨对轨的输出电压摆幅。凭借无以伦比的失真性能,TDA7851A 和 TDA7851F 在汽车无线电领域设立了新的功率标杆。


特点
  • Multipower BCD 技术
  • 高输出功率性能:
    • 4x45W/4Ω 最大值
    • 4x28W/4Ω @ 14.4V, 1kHz, 10 %
    • 4x72W/2Ω 最大值
  • MOSFET 输出功率级
  • 出色的 2Ω 驱动能力
  • Hi-Fi 级失真
  • 低输出噪声
  • 待机功能
  • 静音功能
  • 检测到最小电源电压时自动静音
  • 外部元件数量少:
    • 内部固定增益 (26dB)
    • 无外部补偿
    • 无自居电容器
  • 输出直流失调检测器
  • 保护:
    • 输出短路接 GND、接 VS,负载短路
    • 电感性强的负载
    • 超额定值芯片温度,带软热限位器
    • 抛负载电压
应用
  • 大功率汽车无线电

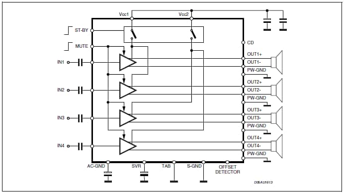
方框图

Block Diagram
  • STMicroelectronics
  • Audio
  • Semiconductors|Integrated Circuits|IC-Amplifier|IC-Audio
发布日期: 2011-11-15 | 更新日期: 2022-03-11