特性
- 连续工作电流:65A
- 30A时系统效率超过93.5%
- 高频工作(高达1.25MHz)
- 支持FCCM的二极管仿真模式
- 温度补偿双向电流感测
- 模拟温度输出
- 故障监控 - OTP、HS OCP和短路保护
- 3.3V和5V PWM信号兼容
- 集成式自举开关
- 三态PWM输入
- 优化的死区时间,可提供击穿保护
- 高密度QFN 5mm × 6mm占位尺寸
- 超低电感封装
- 系统优化PCB尺寸
- DualCool™封装
- 符合RoHS指令,无铅端子电镀
- 无卤
应用
- 多相同步降压转换器
- 高频应用
- 大电流、低占空比应用
- POL直流-直流转换器
- 内存和显卡
- 台式机和服务器VR12.x和VR13.x V-core同步降压转换器
- 用于网络通信的大电流POL
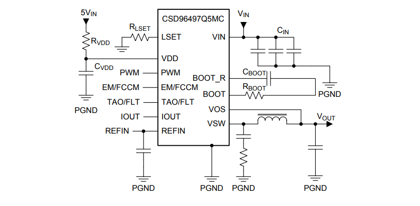
简化应用
发布日期: 2019-03-20
| 更新日期: 2023-08-07

