Texas Instruments ISO1044DEVM还支持安装一个120Ω电阻器,该电阻器可与评估模块一起用作端接线路端(CAN定义为120Ω阻抗的双绞线电缆)。提供焊盘,用于添加TVS二极管和共模(CM)扼流圈等保护元件。默认情况下,这些器件周围使用旁路路径。客户可以使用这些选项安装所需元件。
特性
- 基本隔离(3kVrms)、高速、稳健的EMC隔离CAN
- 宽电源和电平转换范围:1.71 V至5.5 V
- CAN FD信号传输速率高达5Mbps
- 隔离栅寿命> 25年
- 小型 SOIC-8D 封装
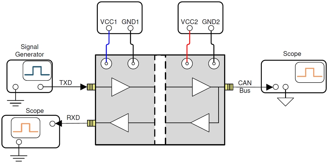
测试设置
发布日期: 2020-05-05
| 更新日期: 2025-03-10

