Texas Instruments ISOW7741DFMEVM评估模块

Texas Instruments ISOW7741DFMEVM评估模块设计用于快速轻松地演示ISOW774x,采用20引脚WB SOIC封装(封装代码-DFM)。ISOW774x是一款四通道高性能5000VRMS增强型数字隔离器,集成了高效率和低辐射直流-直流转换器。

特性

  • 高性能5000VRMS增强型四通道数字隔离器,集成了高效率、低辐射直流-直流转换器
  • 独立IO和直流/直流电源输入
  • 宽电源和电平转换范围:1.71V至5.5V(用于IO)
  • 信号传输速率:高达100Mbps
  • 隔离栅寿命:>40年

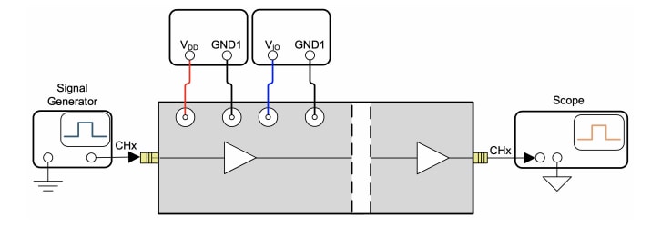
典型测试设置

Texas Instruments ISOW7741DFMEVM评估模块

布局

Texas Instruments ISOW7741DFMEVM评估模块
发布日期: 2021-01-07 | 更新日期: 2022-08-26