Texas Instruments LM25011 Switching Regulator

德州仪器 LM25011 开关转换器

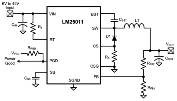
德州仪器 LM25011 恒定导通时间降压型开关稳压器具有足够的功能,实现了一款低成本、高效率、降压偏压稳压器,提供高达 2A 的负载电流。这款高压稳压器包含了一个 N 沟道降压开关、一个启动调节器、电流限制检测、以及内部脉动控制特性。采用恒定导通时间(COT)的控制原则无需环路补偿,可产生快速的负载瞬态响应,并简化了电路设计。工作频率随线路和负载保持恒定。可调节谷值电流限制检测实现了达到电流限制时从恒定电压到恒定电流模式的转换,而无需进行电流限制折返。PGD 输出可指示输出电压已增加至预期稳压值的 5% 以内。其他特点包括:低输出脉冲、VIN 欠压闭锁、可调节软启动定时、热关断、栅极驱动预充电、栅极驱动欠压闭锁、及最大占空比限制。LM25011A 有比 LM25011 更短的最短关闭时间,可在低输入电压下实现更高频率的工作。


特点
  • LM25011Q 是符合 AEC-Q100 1 级的汽车级产品(-40°C 到 +125°C 工作结温)
  • LM25011A 在高开关频率下可实现低压差工作
  • 输入工作电压范围:6V 至 42V
  • 完全额定输入最大值:45V
  • 集成式 2A、N 沟道降压开关
  • 可调节电流限制允许更小的电感器
  • 可调输出电压自 2.51V
  • VOUT
  • 电源良好输出
  • 开关频率可调至 2MHz


  • COT 拓扑特点:
    • 负载电流和输入电压变化时,开关频率保持近乎恒定
    • 超快瞬态响应
    • 无需环路补偿
    • 稳定搭配陶瓷输出电容器
    • 允许小型输出电容和电流传感器电阻
  • 可调软启动时间
  • 热关断
  • 精准度 2% 反馈参考值
  • 封装:10 引脚 VSSOP

典型应用
Typical Application

功能图
Functional Diagram

eNews
  • Texas Instruments
发布日期: 2014-05-08 | 更新日期: 2022-03-11