Texas Instruments LM36010同步升压单LED闪光灯驱动器
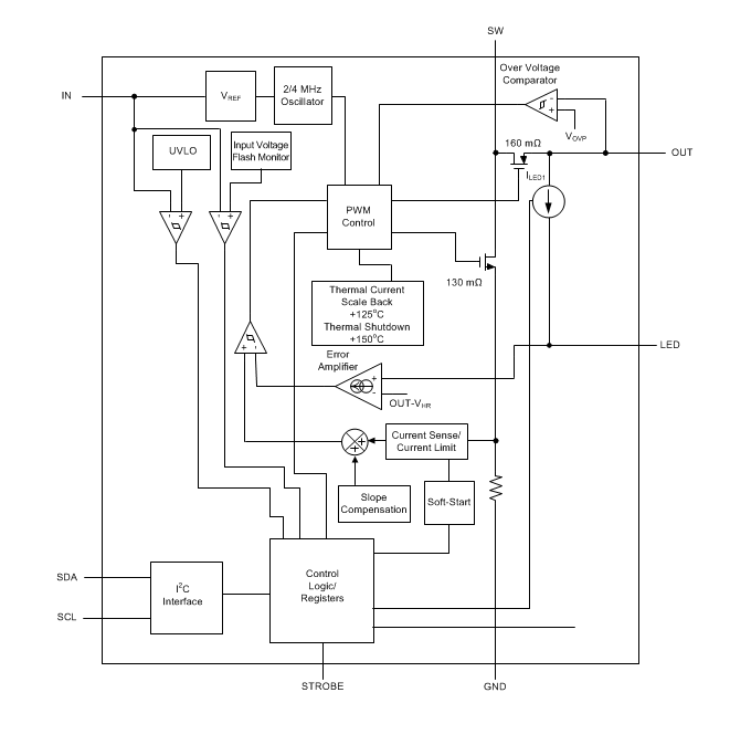
Texas Instruments LM36010同步升压、超小型LED闪光灯驱动器可提供1.5A高侧电流源,具有高度可调节性。LM36010超小型LED闪光灯驱动器可提供高达1.5A的LED闪光灯电流或高达376mA的手电筒电流,解决方案尺寸为7mm2。1.5A恒流LED源由2MHz或4MHz固定频率的同步升压转换器供电。电流源通过自适应调节方法进行调节,确保最大限度地提高效率。该调节方法可在闪光灯模式下将电流控制在11mA至1.5A的范围内,或在手电筒模式下将电流控制在2.4mA至376mA的范围内。兼容I2C的接口控制LM36010的功能,包括硬件闪光灯 (STROBE)以及适用于闪光灯和影片模式(手电筒)的128级可编程电流。该器件的开关频率为2MHz或4MHz,具备过压保护 (OVP) 和可调电流限制功能,因此可使用微型超薄电感器和陶瓷电容器。特性
- 精确且可编程LED电流
- 闪光灯/IR电流范围:11mA至1.5A(128个级别)
- 手电筒电流范围:2.4mA至376mA(128个级别)
- 闪光灯超时时间长达1.6秒
- LED阴极对地短路运行以提高热管理
- 整体解决方案尺寸小:<7mm2
- 硬件频闪灯使能 (STROBE)
- 输入电压范围:2.5V至5.5V
- 优化了低电池电量条件下的闪光灯LED电流 (IVFM)
- 400kHz I2C兼容接口
- I2C地址=0x64
应用
- 移动电话
- 平板电脑
- IR LED驱动器
- 视频监控:IP摄像头
- 条形码扫描器
- 便携式数据终端
功能图
发布日期: 2018-07-13
| 更新日期: 2022-11-03
