特性
- 准确、可编程LED电流
- 闪光灯/IR电流范围:11mA至1.5A(128个级别)
- 手电筒电流范围:2.4mA至376mA(128个级别)
- 闪光灯超时时间长达1.6秒
- 优化了低电池电量条件下的闪光灯LED电流 (IVFM)
- LED阴极对地短路运行以提高热管理
- 较小的整体解决方案尺寸:<4mm2
- 硬件频闪灯使能 (STROBE)
- 输入电压范围:2.5V至5.5V
- 400kHz I2C兼容接口
- I2C地址=0x64
应用
- 移动电话
- 平板电脑
- IR LED驱动器
- 视频监控:IP摄像头
- 条形码扫描器
- 便携式数据终端
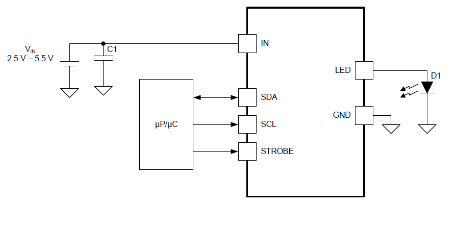
示意图
发布日期: 2018-07-13
| 更新日期: 2022-11-10

