采用±15V电源供电,可实现较大的信号摆幅,并提供更大的动态范围和信噪比。LM7171具有低SFDR和THD,非常适合用于ADC/DAC系统。此外,LM7171还可在±5V电压下工作,适用于便携式应用。LM7171基于Texas Instruments的高级VIP III(垂直集成PNP)互补双极工艺。
特性
- 易于使用的电压反馈拓扑
- 非常高的转换率:2400V/μs
- 单位增益宽带:200MHz
- 频率:−3dB(AV=+2时 (220MHz))
- 低电源电流:6.5mA
- 非常高得开环增益:85dB
- 高输出电流:100mA
- 额定工作电压:±15V和±5V
- 可提供辐射保证
- 总电离剂量:300 Krad(Si)
- 无ELDR:300 Krad(Si)
应用
- HDSL和ADSL驱动器
- 多媒体广播系统
- 专业摄像机
- 视频放大器
- 复印机/扫描仪/传真机
- HDTV放大器
- 脉冲放大器和峰值检测器
- CATV/光纤信号处理
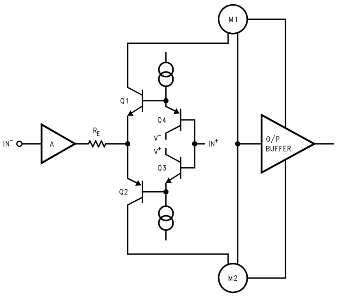
简化示意图
发布日期: 2021-11-29
| 更新日期: 2025-03-10

