Texas Instruments TI LMK00301 差分扇出缓冲器/电平转换器

Texas Instruments LMK00301 差分
扇出缓冲器/电平转换器

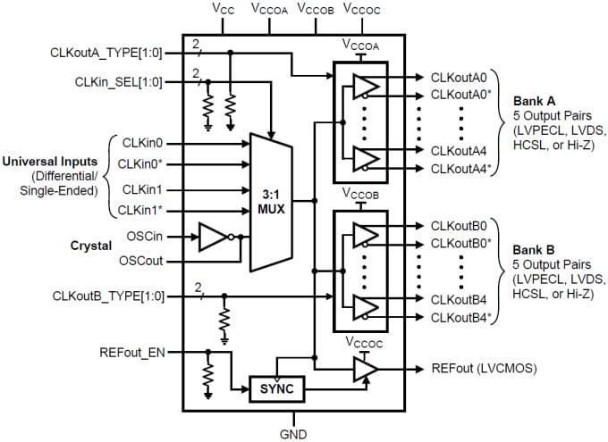
Texas Instruments LMK00301 差分扇出缓冲器/电平转换器是设计用于高频率、低抖动时钟/数据分配和电平转换的 3GHz、10 输出差分扇出缓冲器。输入时钟可从两个通用输入或一个晶体输入选择。所选输入时钟被分配给 5 种差分输出和一个 LVCMOS 输出的两个库。这两个差分输出库均可以独立配置为 LVPECL、LVDS、HCSL 或驱动程序或禁用。LVCMOS 输出有一个同步启用输入,启用或禁用时可实现短脉冲自由操作。LMK00301 工作于一个 3.3V 内核电源和 3 个独立 3.3 V/2.5 V 输出电源。

特性
  • 3:1 多路输入器
  • 两个频率高达 3.1GHz 的通用输入,并接受 LVPECL、LVDS、CML、SSTL、HSTL、HCSL、或单端时钟
  • 一个晶体输入接受 10 到 40MHz 的晶体或单端时钟
  • 两组,每组 5 个差分输出
  • LVPECL、LVDS、HCSL 或 Hi-Z(每个组可选)
  • 156.25MHz 时 的 LVPECL 附加抖动性能(带 LMK03806 时钟源):20fs RMS (10kHz - 1MHz) 51fs RMS (12kHz - 20MHz)
  • 高 PSRR 值: -65 / -76dBc (LVPECL/LVDS) (156.25MHz 时)
  • 同步使能输入下的 LVCMOS 输出
  • 引脚控制的配置
  • VCC 内核电源:3.3V ± 5%
  • 3 个独立 VCCO 输出电源:3.3V/2.5V ± 5%
  • 工业温度范围:−40°C 至 +85°C)
  • 48 引脚 WQFN 封装 (7mm×7mm)
应用
  • 模数转换器、数模转换器、数千兆以太网、XAUI、光纤通道、SATA/SAS、SONET/SDH、CPRI、高频背板的时钟分配和电平转换
  • 交换机、路由器、线路板、定时卡
  • 服务器、计算机、PCI Express (PCIe 3.0)
  • 远端射频单元和基带单元

LMK00301 评估板

Texas Instruments LMK00301 评估板允许工程师检查 LMK00301 的功能和性能验证。LMK00301 是一款高性能 1:10 差分扇出缓冲器。该评估板可通过两组五个差分输出和一个 LVCMOS 输出生成一个低噪声扇出。通过控制引脚每组的输出可选(LVPECL、LVDS、HCSL 或 Hi-Z)。该评估板包括一个带两个通用输入缓冲器的 3:1 输入多路复用器、一个晶体振荡器接口、DIP 开关和一个灵活的输入/输出接口。

特性
  • 通过两组五个差分输出和一个 LVCMOS 输出生成一个低噪声时钟扇出
  • 可选差分输出类型(LVPECL、LVDS、HCSL 或 Hi-Z),通过控制引脚每组可选
  • 3:1 输入多路复用器,带两个通用输入缓冲器和一个晶体振荡器接口,通过控制引脚可选
  • 包含 DIP 开关,以配置控制引脚
  • 使用板载稳压器选项或直接电源输入,在 3.3V 单电压或 3.3V/2.5V 双电压下工作
  • 灵活的输入/输出接口,带受控阻抗迹线和边缘 SMA 连接器

功能框图
功能框图
电子新闻
  • Texas Instruments
发布日期: 2015-12-15 | 更新日期: 2022-03-11