Texas Instruments SN74AC596/SN74AC596-Q1 SIPO移位寄存器
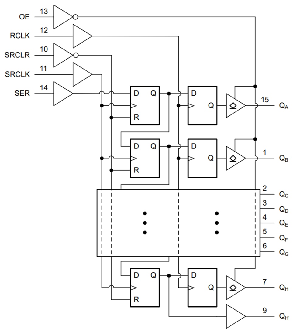
Texas Instruments SN74AC596/SN74AC596-Q1 SIPO移位寄存器包含一个8位串行输入、并行输出(SIPO)移位寄存器,向8位D类存储寄存器馈送信号。存储寄存器具有并行开漏输出。分别为存储寄存器和移位寄存器提供时钟。移位寄存器具有串行(SER)输入、直接覆盖清除(SRCLR\)输入以及用于级联的串行输出(QH’)。当输出使能(OE)输入置为高电平时,输出将置于高阻抗状态。内部寄存器数据不受OE\输入操作的影响。Texas Instruments SN74AC596-Q1器件符合汽车应用类AEC-Q100认证。特性
- 宽工作电压范围:1.5V至6V
- 输入接受电压高达 6 V
- 连续±24mA输出驱动(5V时)
- 在5VIN 短脉冲下支持高达±75mA的输出驱动
- 驱动50Ω传输线
- 最大tpd:11.4ns(5V、50pF负载时)
应用
- 增加微控制器上的输出数量
- 最多可临时存储8位数据
功能框图
发布日期: 2025-03-25
| 更新日期: 2025-05-06
